授权公布号:CN216572959U
一种双模制粒机
有效
申请
2022-01-04
申请公布
1970-01-01
授权
2022-05-24
预估到期
2032-01-04
| 申请号 | CN202220016597.9 |
| 申请日 | 2022-01-04 |
| 授权公布号 | CN216572959U |
| 授权公告日 | 2022-05-24 |
| 分类号 | B01J2/22 |
| 分类 | 一般的物理或化学的方法或装置; |
| 申请人名称 | 山东宇龙机械有限公司 |
| 申请人地址 | 山东省济南市章丘区绣惠工业园 |
专利法律状态
2022-05-24
授权
状态信息
授权
摘要
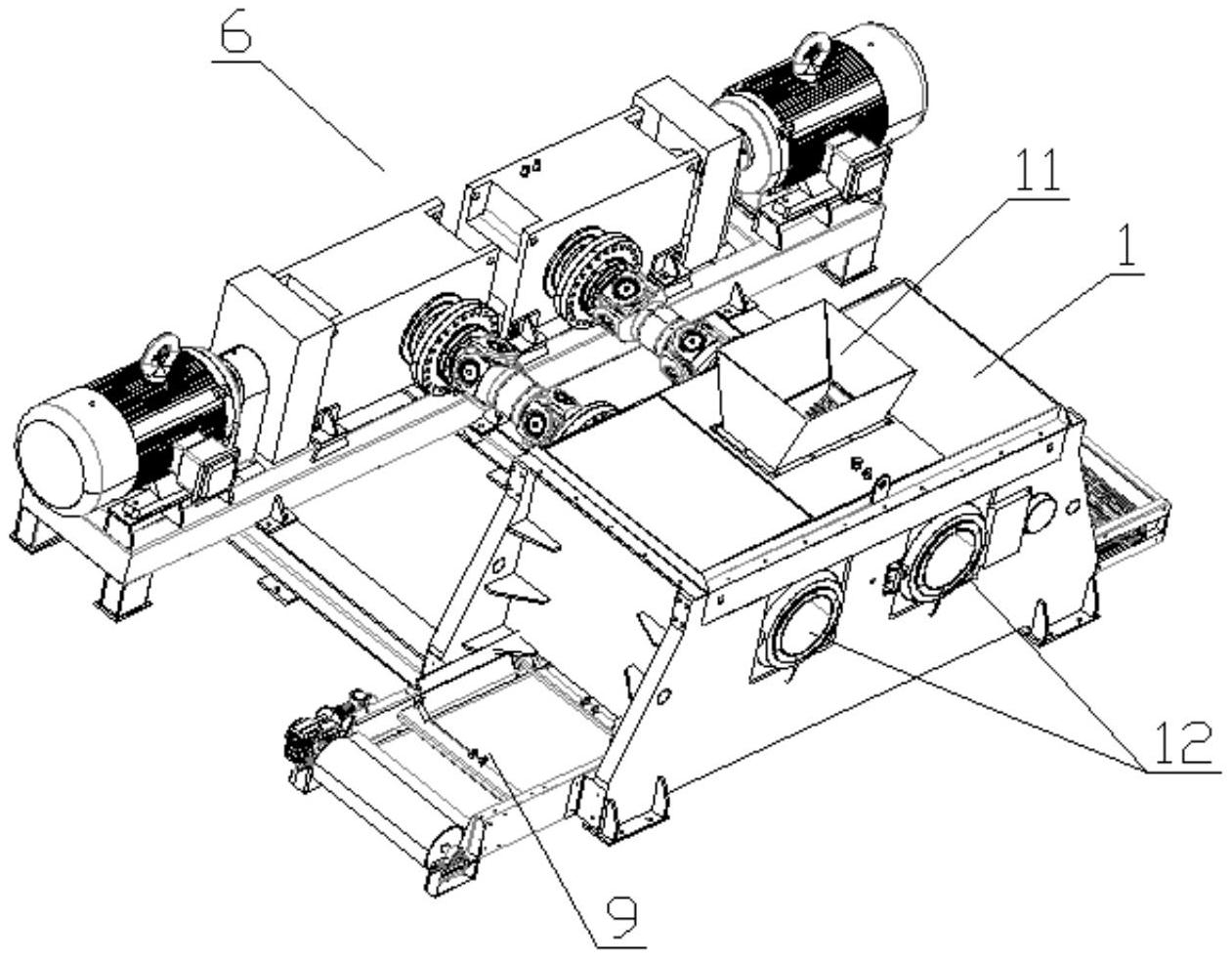
本实用新型公开了一种双模制粒机,包括壳体,模具壳体上端设置有进料口,模具壳体侧壁上设置有出料口,模具壳体内设置有反向旋转的模具组件,模具模具组件内设置有模腔,模具模腔内设置有绞龙,模具绞龙与模具出料口对应,模具绞龙一端设置有驱动机构,模具驱动机构驱动模具绞龙旋转,模具模具组件一侧设置有调节机构,模具调节机构调整反向旋转的模具模具组件之间的间隙。本实用新型的有益效果为:能解决平模滚压制粒机和环模滚压制粒机工作效率低、机件易磨损以及对原材料细度要求高的技术问题。


