授权公布号:CN212904110U
一种冷干式船舶废气在线监测系统
有效
申请
2020-08-07
申请公布
1970-01-01
授权
2021-04-06
预估到期
2030-08-07
| 申请号 | CN202021624476.X |
| 申请日 | 2020-08-07 |
| 授权公布号 | CN212904110U |
| 授权公告日 | 2021-04-06 |
| 分类号 | G01N1/24;G01N33/00 |
| 分类 | 测量;测试; |
| 申请人名称 | 江苏西克传感器有限公司 |
| 申请人地址 | 江苏省常州市武进高新区凤翔路31号凤翔工业园3号厂房南侧 |
专利法律状态
2021-04-06
授权
状态信息
授权
摘要
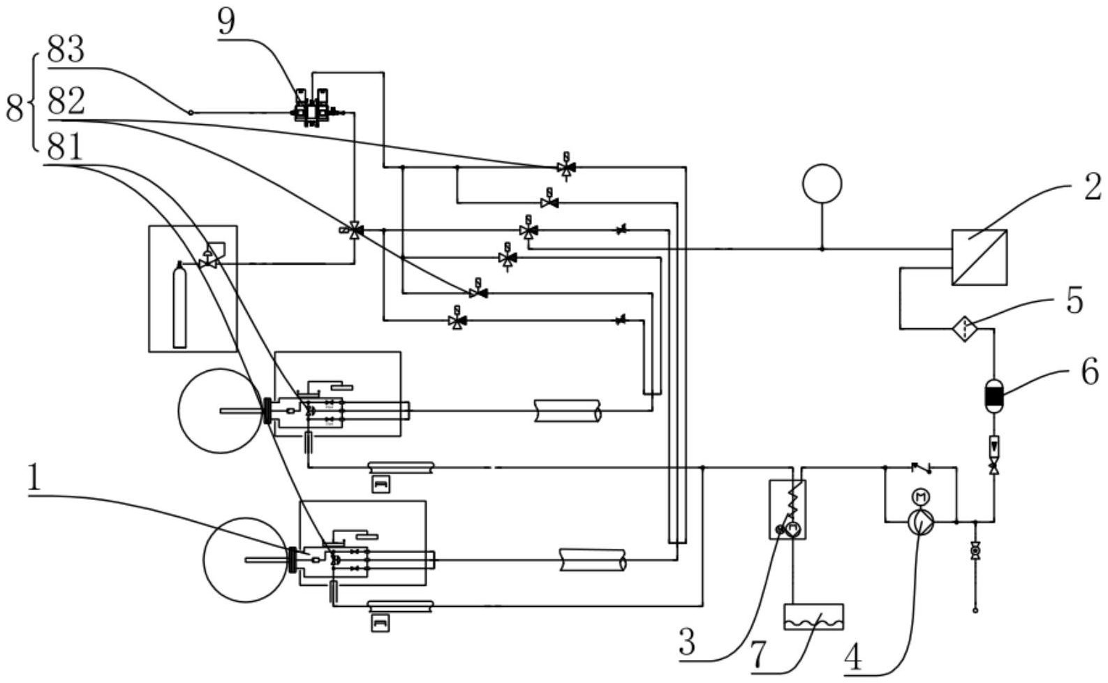
本实用新型公开了一种冷干式船舶废气在线监测系统,包括探头、分析仪和取样管线;探头与分析仪之间依次设置有具有冷凝功能的压机和采样泵以及除水器;采样泵工作,探头采集烟气,烟气经压机冷凝去除烟气中的水分,去除水分的烟气经采样泵进入除水器进一步出水,最后进入分析仪进行烟气成分分析并经分析仪排出,采用湿法监测代替热法监测,湿法监测对保温措施降低,降低了设备的成本;同时该系统能够通过切换探头的开闭以控制不同采样点的烟气采集,且共用一个采样泵,减少了设备的冗余,并节省了占地面积和设备成本。


