授权公布号:CN213435324U
一种板材涂胶装置
有效
申请
2020-09-28
申请公布
1970-01-01
授权
2021-06-15
预估到期
2030-09-28
| 申请号 | CN202022181763.4 |
| 申请日 | 2020-09-28 |
| 授权公布号 | CN213435324U |
| 授权公告日 | 2021-06-15 |
| 分类号 | B05C1/02;B05C11/10;B05C13/02 |
| 分类 | 一般喷射或雾化;对表面涂覆液体或其他流体的一般方法〔2〕; |
| 申请人名称 | 江苏博大新材料科技股份有限公司 |
| 申请人地址 | 江苏省常州市武进区横林镇崔桥村 |
专利法律状态
2021-06-15
授权
状态信息
授权
摘要
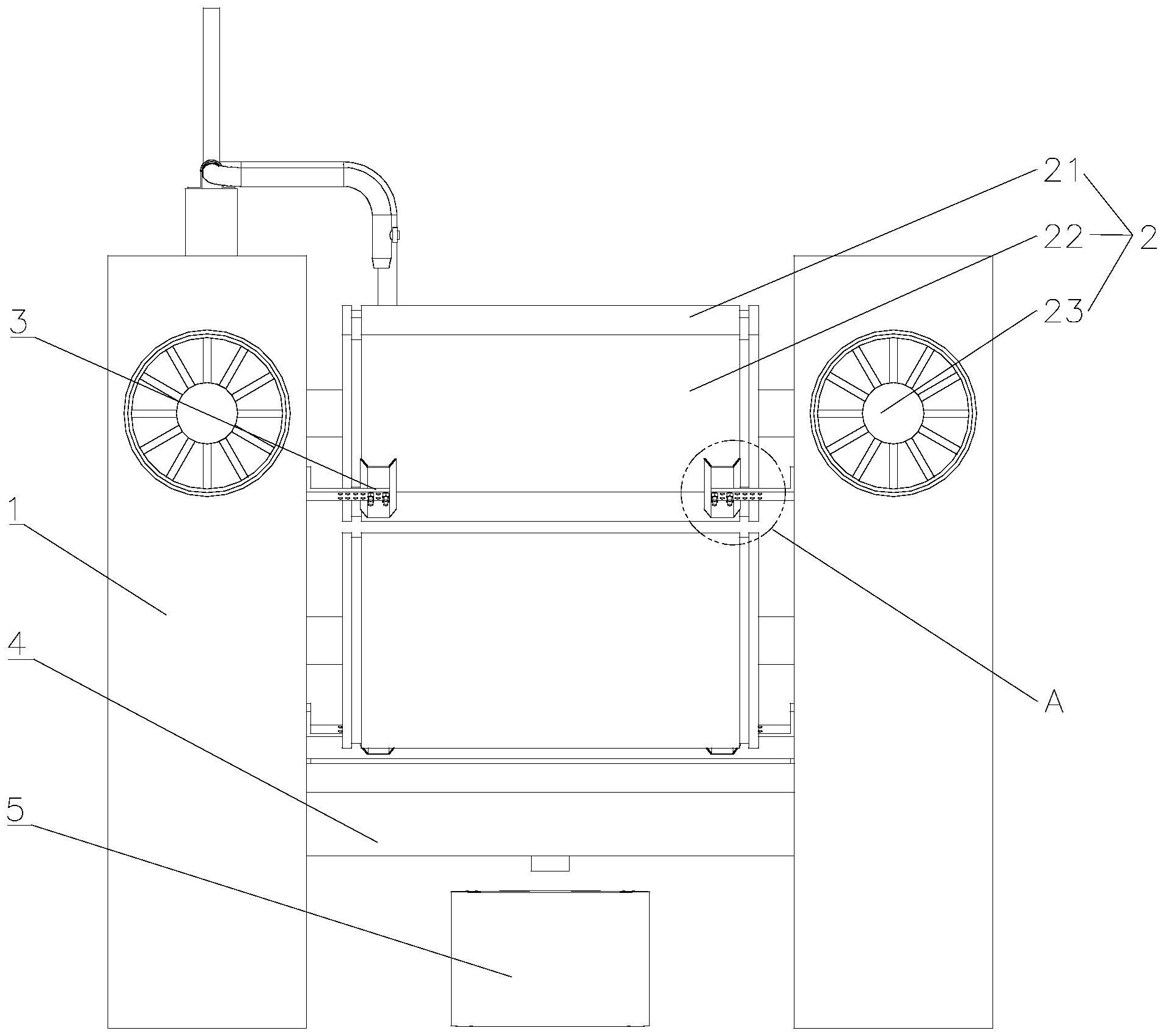
本实用新型属于机械设备技术领域,涉及一种板材涂胶装置,包括:两个基座,两个涂胶组件,所述涂胶组件包括胶辊、辅助辊和用于调节辅助辊的调节部件,所述胶辊与辅助辊间隔设置在两个基座上,两个导流组件,用于承接滴落的胶水,并对滴落的胶水进行导流,回收料斗,和收集桶,所述两个基座呈对称设置,两个涂胶组件呈对角设置在两个基座上,两个导流组件分别位于两个涂胶组件的正下方,所述回收料斗与两个基座固定连接,并且回收料斗位于两个涂胶组件的正下方,所述收集桶位于回收料斗的正下方。本实用新型能够通过导流组件对滴落的胶水进行承接,还能够将胶水向回收料斗内进行导流,避免了胶水滴落到回收料斗的外部造成污染。


