授权公布号:CN218541517U
一种沉降种植阳台的加固装置
有效
申请
2022-09-19
申请公布
1970-01-01
授权
2023-02-28
预估到期
2032-09-19
| 申请号 | CN202222495657.2 |
| 申请日 | 2022-09-19 |
| 授权公布号 | CN218541517U |
| 授权公告日 | 2023-02-28 |
| 分类号 | E04G13/06;E04G17/00 |
| 分类 | 建筑物; |
| 申请人名称 | 浙江谊科建筑技术发展有限公司 |
| 申请人地址 | 浙江省湖州市德清县乾元镇明星村 |
专利法律状态
2023-02-28
授权
状态信息
授权
摘要
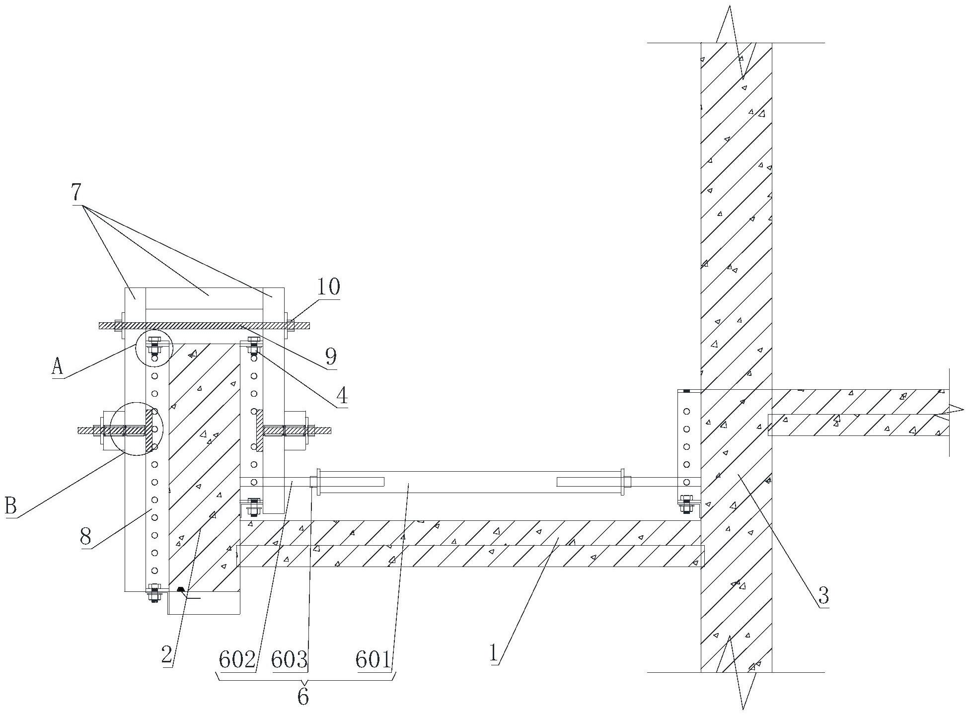
本实用新型涉及建筑模板加固技术领域,且公开了一种沉降种植阳台的加固装置,包括延展安装板和背楞架,延展安装板固定安装于阳台前墙体左右两侧,背楞架由顶部背楞和与顶部背楞焊接的左右两个背楞构成,左右两个背楞的上端通过一字螺杆和锁紧螺母连接,左右两个背楞相对的一侧均设置有连接板,连接板与延展安装板通过连接机构固定连接,延展安装板的中部通过紧固机构与左右两个背楞连接。该沉降种植阳台的加固装置,不需要在阳台墙体及阳台底面上打对穿孔,既能满足防水要求同时也能很好的保证成型质量,防止下口爆模,操作简单、快捷,单人就可操作。


