授权公布号:CN218040777U
一种带短路保护的漏电保护器
有效
申请
2022-07-15
申请公布
1970-01-01
授权
2022-12-13
预估到期
2032-07-15
| 申请号 | CN202221828196.X |
| 申请日 | 2022-07-15 |
| 授权公布号 | CN218040777U |
| 授权公告日 | 2022-12-13 |
| 分类号 | H02H3/32;H02H1/00;H02H3/08;H02H3/06 |
| 分类 | 发电、变电或配电; |
| 申请人名称 | 湖南步升取暖科技股份有限公司 |
| 申请人地址 | 湖南省娄底市新化县梅苑开发区梅苑南路188号 |
专利法律状态
2022-12-13
授权
状态信息
授权
摘要
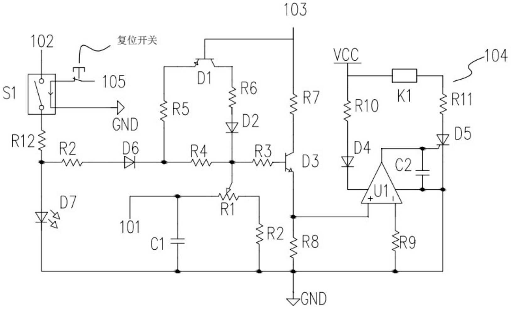
本实用新型公开了一种带短路保护的漏电保护器,包括零序互感器、电源和机械保护机构,还包括检测模块、复位开关、预警模块、灵敏度模块和自调节模块,检测模块与预警模块及灵敏度模块连接,通过调节灵敏度模块改变预警模块和检测模块响应灵敏度,检测模块对线路是否漏电进行检测并发送信号至预警模块,预警模块对工作人员进行预警,自调节模块和灵敏度模块连接,灵敏度模块调节后通过自调节模块对灵敏度模块进行启动前控制及复位,机械保护机构和检测模块连接,机械保护机构用于关闭当前线路导通状态,复位开关和预警模块连接,控制预警模块进行复位。


