授权公布号:CN217941535U
一种固定式气雾罐打孔放气装置
有效
申请
2021-07-07
申请公布
1970-01-01
授权
2022-12-02
预估到期
2031-07-07
| 申请号 | CN202121539593.0 |
| 申请日 | 2021-07-07 |
| 授权公布号 | CN217941535U |
| 授权公告日 | 2022-12-02 |
| 分类号 | B21D28/34;B21D28/24;B21D43/00 |
| 分类 | 基本上无切削的金属机械加工;金属冲压; |
| 申请人名称 | 广东三和化工科技有限公司 |
| 申请人地址 | 广东省中山市黄圃镇大岑工业区成业大道43号 |
专利法律状态
2022-12-02
授权
状态信息
授权
摘要
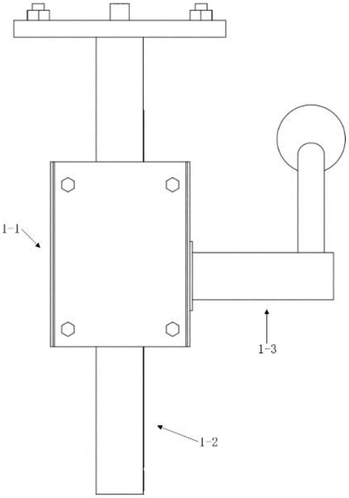
本发明涉及气雾剂领域,公开了一种固定式气雾罐打孔放气装置。固定式气雾罐打孔放气装置:包括固定在铁架台上的冲压装置与接地线,连接在冲压装置轴体上牵引轴体上升的弹簧以及固定在冲压装置上支撑弹簧的支撑杆,固定在冲压装置轴体上的金属圆盘上装有放气钉与分布在放气钉周围的两个固定柱。按照本发明的技术方案,可以通过两个固定柱来固定气雾剂的罐体,然后拉动冲压装置上的扳手使冲压装置轴体下降带动放气钉扎穿气雾罐阀门的阀杯产生孔洞,然后松开扳手,弹簧牵引冲压装置轴体上升,堵住孔洞的放气钉离开孔洞,实现气雾罐的放气功能。同时接地线会导走放气钉与阀门接触时产生的静电,防止产生火花导致事故发生。


