授权公布号:CN212924661U
一种除硅装置
有效
申请
2020-08-07
申请公布
1970-01-01
授权
2021-04-09
预估到期
2030-08-07
| 申请号 | CN202021628830.6 |
| 申请日 | 2020-08-07 |
| 授权公布号 | CN212924661U |
| 授权公告日 | 2021-04-09 |
| 分类号 | C02F9/04;C02F11/121;C02F11/122;C02F1/66;C02F1/52;C02F1/28;C02F1/44 |
| 分类 | 水、废水、污水或污泥的处理; |
| 申请人名称 | 苏州依斯倍环保装备科技有限公司 |
| 申请人地址 | 江苏省苏州市工业园区唯西路55号 |
专利法律状态
2021-04-09
授权
状态信息
授权
摘要
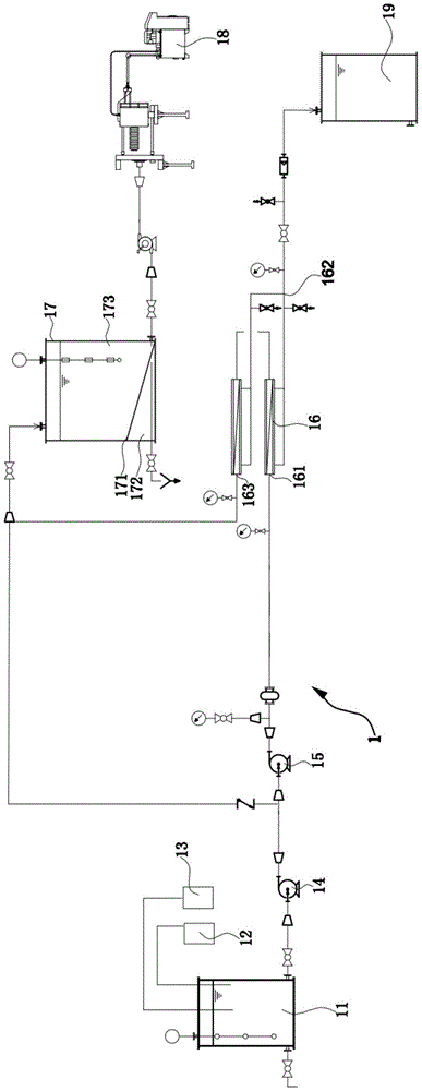
本实用新型揭示了一种除硅装置,包括循环槽、与循环槽连接的加碱装置及加药装置、原水泵、与原水泵连接的循环泵、管式膜、与管式膜连接的污泥槽以及与污泥槽连接的压滤机,所述循环槽和管式膜通过所述原水泵和循环泵相连通。所述除硅装置与一原位系统清洗装置相连通,用于对整个装置进行定期的清洗。本实用新型除硅装置除硅效果稳定,除硅效率高,且加药量少,也降低了除硅的运行费用。


