授权公布号:CN211463187U
循环用水的恒温恒湿试验机
有效
申请
2019-10-09
申请公布
1970-01-01
授权
2020-09-11
预估到期
2029-10-09
| 申请号 | CN201921680224.6 |
| 申请日 | 2019-10-09 |
| 授权公布号 | CN211463187U |
| 授权公告日 | 2020-09-11 |
| 分类号 | B01L1/00;G01N17/00 |
| 分类 | 一般的物理或化学的方法或装置; |
| 申请人名称 | 东莞市力雄仪器有限公司 |
| 申请人地址 | 广东省东莞市塘厦镇莲湖塘莲二街2号一楼A |
专利法律状态
2020-09-11
授权
状态信息
授权
摘要
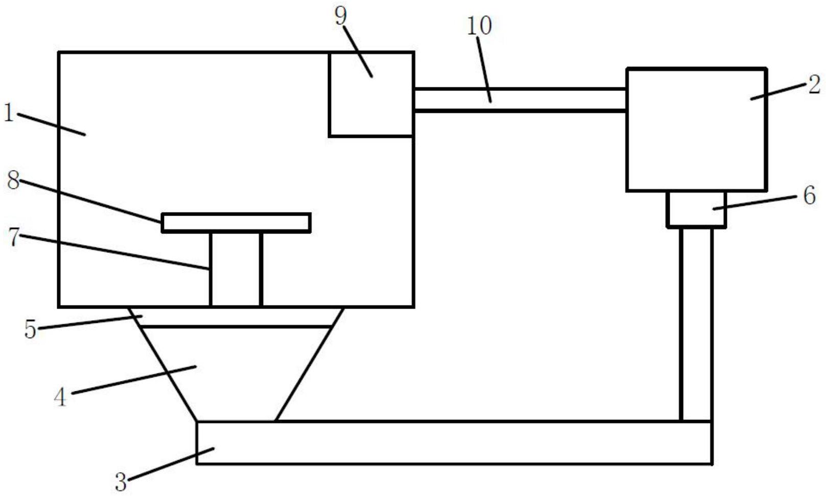
本实用新型公开了循环用水的恒温恒湿试验机,包括试验机本体及储水箱,所述试验机本体内的底部设置有导流管,所述试验机本体内的底部与导流管之间设置有聚中腔,所述聚中腔从试验机本体内的底部向导流管延伸并与导流管连通,所述导流管的一端连通于储水箱。将测试中的水分集中在一起,并通过抽水机集中输送到储水箱内,如此一来反复将水分达到循环利用,不会应水分过多而排放出去,也避免在高温的测试环节下蒸发掉,进一步的减少水资源浪费。


