授权公布号:CN213576739U
润滑油监测与净化智能维护一体机
有效
申请
2021-05-19
申请公布
1970-01-01
授权
2021-06-29
预估到期
2031-05-19
| 申请号 | CN202121070929.3 |
| 申请日 | 2021-05-19 |
| 授权公布号 | CN213576739U |
| 授权公告日 | 2021-06-29 |
| 分类号 | F16N7/38;F16N39/06;F16N23/00;F16N29/00 |
| 分类 | 工程元件或部件;为产生和保持机器或设备的有效运行的一般措施;一般绝热; |
| 申请人名称 | 山东中科普锐检测技术有限公司 |
| 申请人地址 | 山东省潍坊市高新区银枫路北首66号光电产业园第三加速器5座 |
专利法律状态
2021-06-29
授权
状态信息
授权
摘要
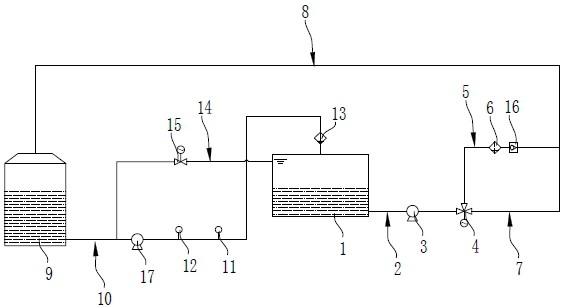
本实用新型公开了一种润滑油监测与净化智能维护一体机,包括过渡油箱,所述过渡油箱底部连接排油管路,所述排油管路上安装有排油泵,所述排油泵的出油口连接换向阀,所述换向阀设有第一出油口和第二出油口,所述第一出油口连接吸附脱水支路,所述吸附脱水支路上安装有吸附脱水过滤器;所述第二出油口连接排油工作支路,所述吸附脱水支路与所述排油工作支路并联连接后通过供油管路连接至工业现场的润滑油箱;所述润滑油箱底部通过回油管路与所述过渡油箱连接,所述回油管路上安装有水分含量传感器、介电常数传感器和离心转子滤清器。本实用新型可以有效延长润滑油使用寿命,减少因润滑不良导致的设备与零部件故障,减少设备维修费用。


