授权公布号:CN214893069U
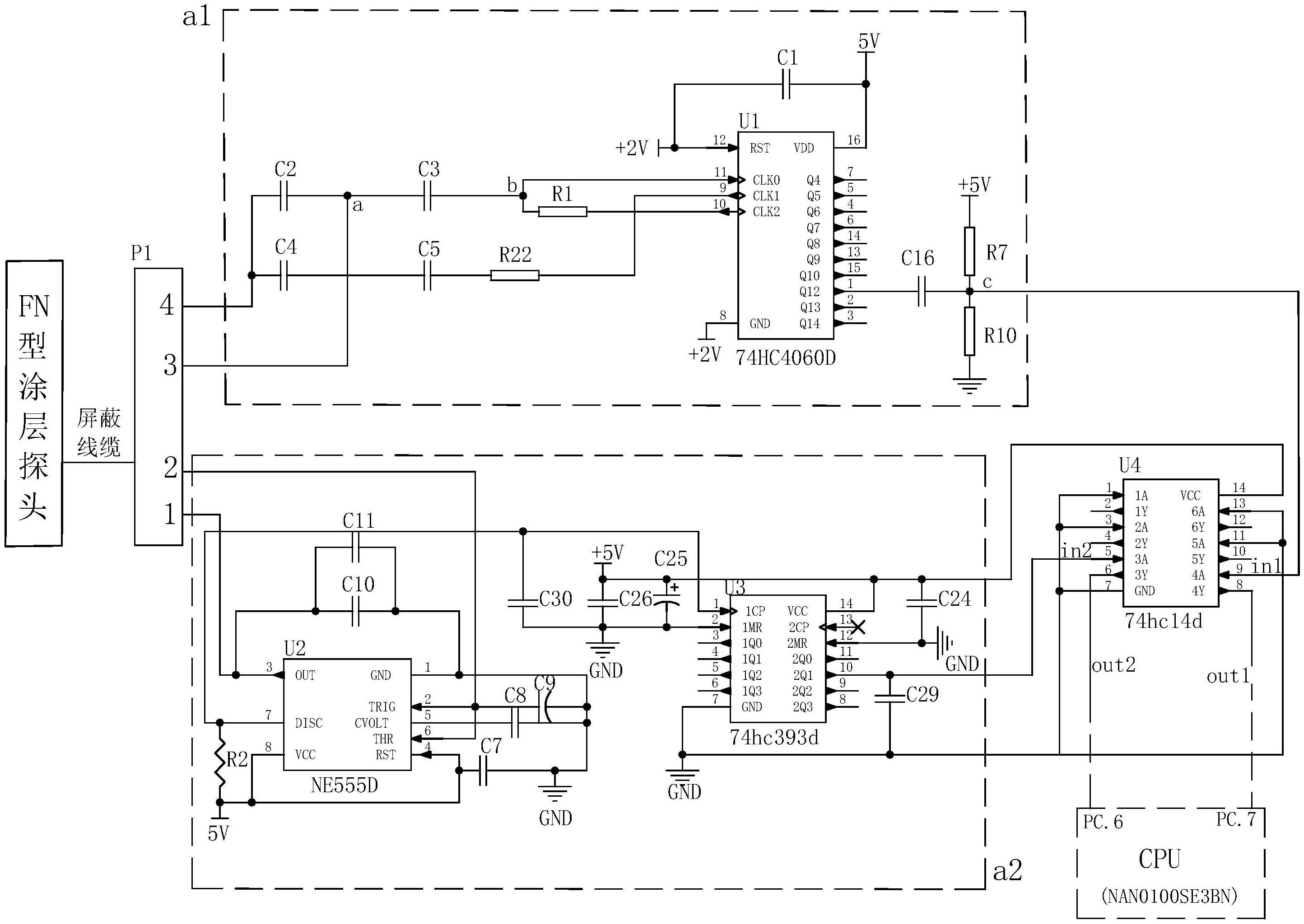
一种涂层测厚仪用探头数据信号调理电路
有效
申请
2021-07-26
申请公布
1970-01-01
授权
2021-11-26
预估到期
2031-07-26
| 申请号 | CN202121712768.3 |
| 申请日 | 2021-07-26 |
| 授权公布号 | CN214893069U |
| 授权公告日 | 2021-11-26 |
| 分类号 | G01B7/06 |
| 分类 | 测量;测试; |
| 申请人名称 | 山东中科普锐检测技术有限公司 |
| 申请人地址 | 山东省潍坊市高新区银枫路光电产业园第三加速器5座 |
专利法律状态
2021-11-26
授权
状态信息
授权
摘要
本实用新型公开了一种涂层测厚仪用探头数据信号调理电路,包括FN型涂层探头、与FN型涂层探头电连接的屏蔽线缆、与屏蔽线缆上的插头电连接的插接件P1、电磁型信号调理电路、涡流型信号调理电路及反相器芯片U4;电磁型信号调理电路和涡流型信号调理电路并联连接于插接件P1和反相器芯片U4的相应输入端之间。本实用新型对电磁型信号和涡流型信号均可进行调理;通用性强,可在各种金属基体上测量涂层厚度;提高了测量效率,且增大了测量量程、降低了损耗、提高了测量精度。


