授权公布号:CN212553031U
一种自动去毛刺机
有效
申请
2020-04-04
申请公布
1970-01-01
授权
2021-02-19
预估到期
2030-04-04
| 申请号 | CN202020487277.2 |
| 申请日 | 2020-04-04 |
| 授权公布号 | CN212553031U |
| 授权公告日 | 2021-02-19 |
| 分类号 | B24B9/00; |
| 分类 | 磨削;抛光; |
| 申请人名称 | 中山鑫辉精密技术股份有限公司 |
| 申请人地址 | 广东省中山市国家健康基地沿江东路13号毓达园区 |
专利法律状态
2021-02-19
授权
状态信息
授权
摘要
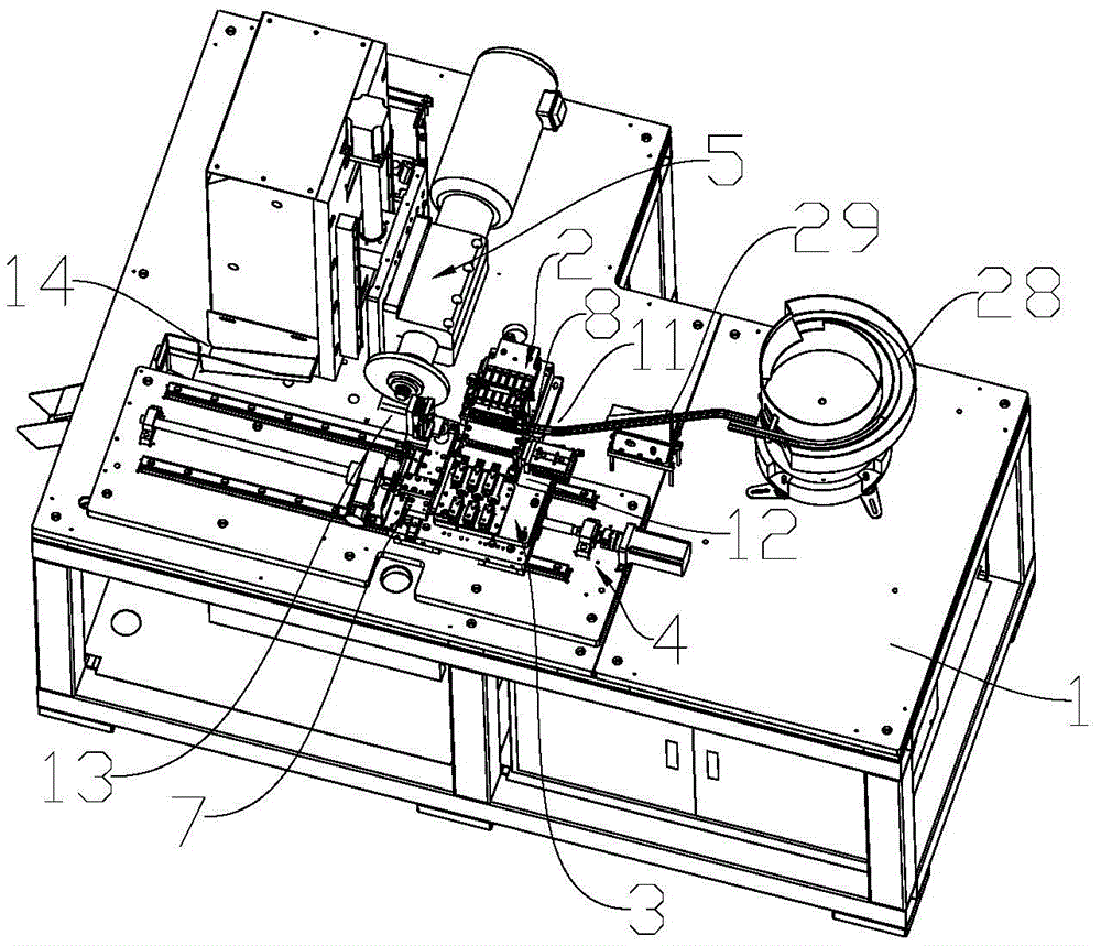
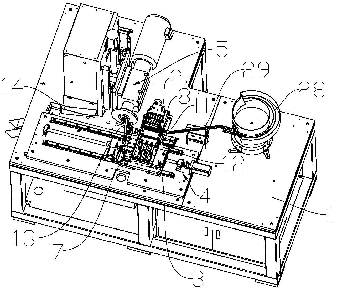
本实用新型公开了一种自动去毛刺机,包括有机架,机架上设有上料区、夹料区、磨削区和出料区,上料区设有能够将工件排列整齐的上料装置,夹料区设有能将上料装置传送过来的工件夹持住的夹料装置,磨削区设有能将夹料装置夹持的工件进行去毛刺的磨削装置,机架上设有能将夹料装置从夹料区移动至磨削区并能将夹料装置从磨削区移动至出料区的移动装置,机架上还设有在夹料装置到达出料区后能将夹料装置内的工件卸出的出料装置。本实用新型结构简单,通过自动化操作达到批量去除工件毛刺的效果,大大节省人力,自动化程度高,经处理的工件品质好,生产批次统一,无需再返工处理,大大的提高生产效率,降低生产成本,满足后续产品精加工的需求。


