授权公布号:CN216056794U
一种电路监测及保护装置
有效
申请
2021-05-25
申请公布
1970-01-01
授权
2022-03-15
预估到期
2031-05-25
| 申请号 | CN202121133106.0 |
| 申请日 | 2021-05-25 |
| 授权公布号 | CN216056794U |
| 授权公告日 | 2022-03-15 |
| 分类号 | H02M1/32;H02M3/156 |
| 分类 | 发电、变电或配电; |
| 申请人名称 | 深圳市源拓光电技术有限公司 |
| 申请人地址 | 广东省深圳市宝安区石岩街道石龙社区森海诺科创大厦11F-12F |
专利法律状态
2024-02-13
专利权质押登记、变更及注销
状态信息
专利权质押登记注销;IPC(主分类):H02M1/32;授权公告日:20220315;申请日:20210525;登记号:Y2022440020098;出质人:深圳市源拓光电技术有限公司;质权人:深圳市中小担小额贷款有限公司;注销日:20240126
2022-07-08
专利权质押合同登记的生效、变更及注销
状态信息
专利权质押合同登记的生效;IPC(主分类):H02M1/32;登记号:Y2022440020098;登记生效日:20220621;出质人:深圳市源拓光电技术有限公司;质权人:深圳市中小担小额贷款有限公司;实用新型名称:一种电路监测及保护装置;申请日:20210525;授权公告日:20220315
2022-03-15
授权
状态信息
授权
摘要
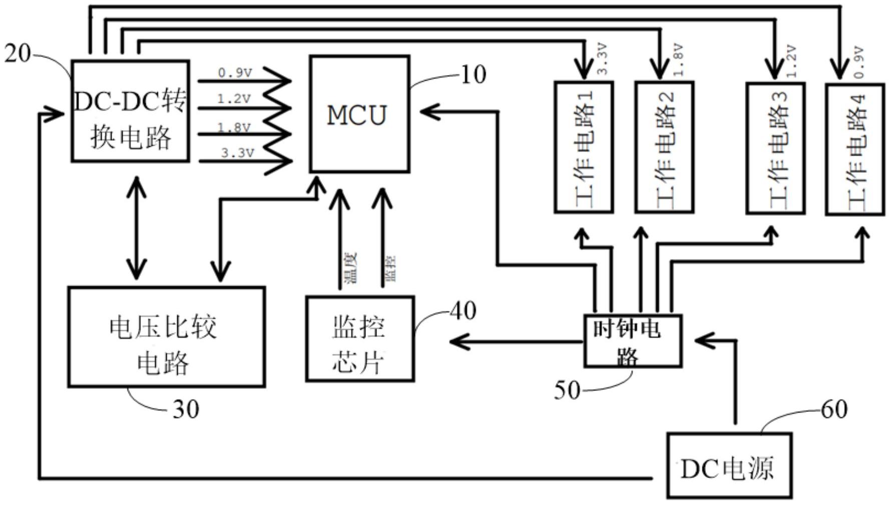
本实用新型提供了一种电路监测及保护装置,包括MCU、DC‑DC转换电路、电压比较电路,所述DC‑DC转换电路与所述MCU相连,所述电压比较电路分别与所述MCU和所述DC‑DC转换电路相连。本实用新型的有益效果是:本实用新型能够监测电路工作电压以及保护电路,取得了很好的技术效果,满足了用户的需求。


