授权公布号:CN216699490U
一种智能过流保护电路
有效
申请
2021-12-27
申请公布
1970-01-01
授权
2022-06-07
预估到期
2031-12-27
| 申请号 | CN202123315264.0 |
| 申请日 | 2021-12-27 |
| 授权公布号 | CN216699490U |
| 授权公告日 | 2022-06-07 |
| 分类号 | H02H7/12;H02H3/08 |
| 分类 | 发电、变电或配电; |
| 申请人名称 | 深圳市源拓光电技术有限公司 |
| 申请人地址 | 广东省深圳市宝安区石岩街道石龙社区森海诺科创大厦11F-12F |
专利法律状态
2022-06-07
授权
状态信息
授权
摘要
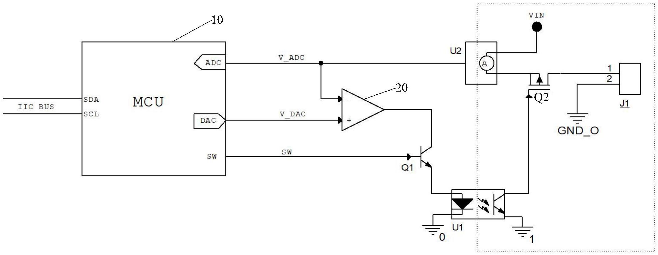
本实用新型提供了一种智能过流保护电路,包括MCU、比较器、电流检测芯片、开关电路、负载,所述MCU分别与所述比较器、所述电流检测芯片、所述开关电路相连,所述比较器分别与所述电流检测芯片、所述开关电路相连,所述电流检测芯片与所述开关电路相连,所述负载与所述开关电路相连。本实用新型的有益效果是:本实用新型采用比较器控制mos管进行过流保护,当负载电流过大时,比较器直接输出低电平关断mos管进行过流保护,过流保护期间不需要MCU参与,速度非常快。


