授权公布号:CN111888081B
一种自发热片的智能化覆纸装置
有效
申请
2020-08-10
申请公布
2020-11-06
授权
2023-09-05
预估到期
2040-08-10
| 申请号 | CN202010796378.2 |
| 申请日 | 2020-08-10 |
| 申请公布号 | CN111888081A |
| 申请公布日 | 2020-11-06 |
| 授权公布号 | CN111888081B |
| 授权公告日 | 2023-09-05 |
| 分类号 | A61F7/03;A61F7/02 |
| 分类 | 医学或兽医学;卫生学; |
| 申请人名称 | 上海暖友实业有限公司 |
| 申请人地址 | 上海市奉贤区金汇镇堂富路118弄53号 |
专利法律状态
2023-09-05
授权
状态信息
授权
2021-09-21
实质审查的生效
状态信息
实质审查的生效;IPC(主分类):A61F7/03;申请日:20200810
2020-11-06
公布
状态信息
公布
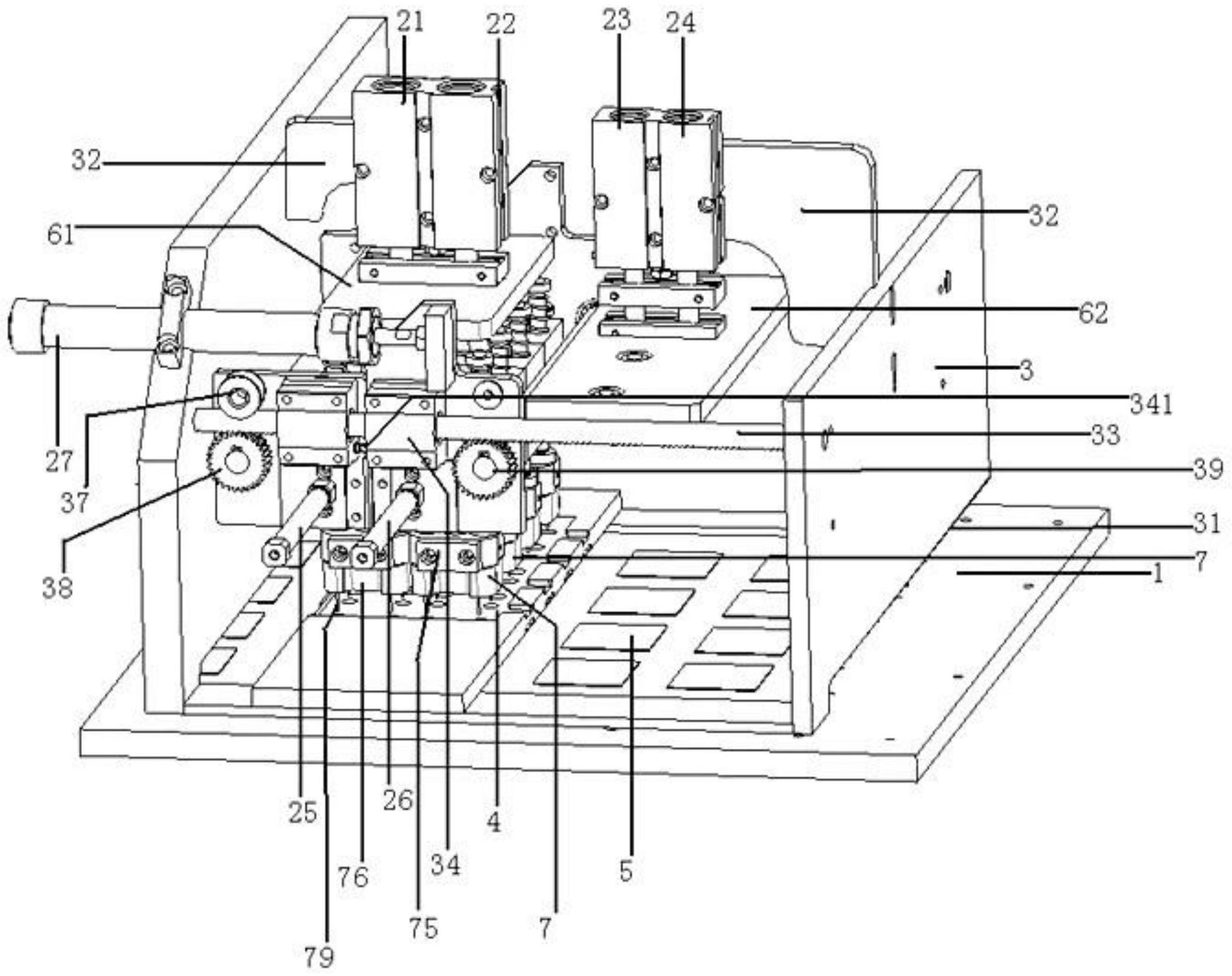
摘要
一种自发热片的智能化覆纸装置,包括板式电动输送带设备、PLC、气缸、机架、负压吸气机构,板式电动输送带设备、PLC、气缸、负压吸气机构电性连接;还具有输纸机构;气缸安装在机架上,输纸机构包括相同的多套,每套包括安装在一起的三只压块和两只弹簧、两只限位杆,其中多套和另外多套输纸机构分别安装在机架左侧端及右侧端,机架的左右侧端下中部各有一个开口,板式电动输送带设备的输送链板上端位于机架的左右侧端开口内。本发明结合板式电动输送带设备使用,工作时在相关机构共同作用下,能自动分别将多只纸张覆盖在多张自发热片上,整个过程不需要人为操作,覆纸速度快、工作效率高,且减少了生产方人工费用支出。本发明具有好的应用前景。


