授权公布号:CN212755296U
一种节能型饮水设备
有效
申请
2020-07-06
申请公布
1970-01-01
授权
2021-03-23
预估到期
2030-07-06
| 申请号 | CN202021297122.9 |
| 申请日 | 2020-07-06 |
| 授权公布号 | CN212755296U |
| 授权公告日 | 2021-03-23 |
| 分类号 | A47J31/44;A47J31/46;A47J31/00;A47J31/56 |
| 分类 | 家具;家庭用的物品或设备;咖啡磨;香料磨;一般吸尘器; |
| 申请人名称 | 南京骏诺电脑开水器制造有限公司 |
| 申请人地址 | 江苏省南京市溧水区东屏镇工业集中区 |
专利法律状态
2021-03-23
授权
状态信息
授权
摘要
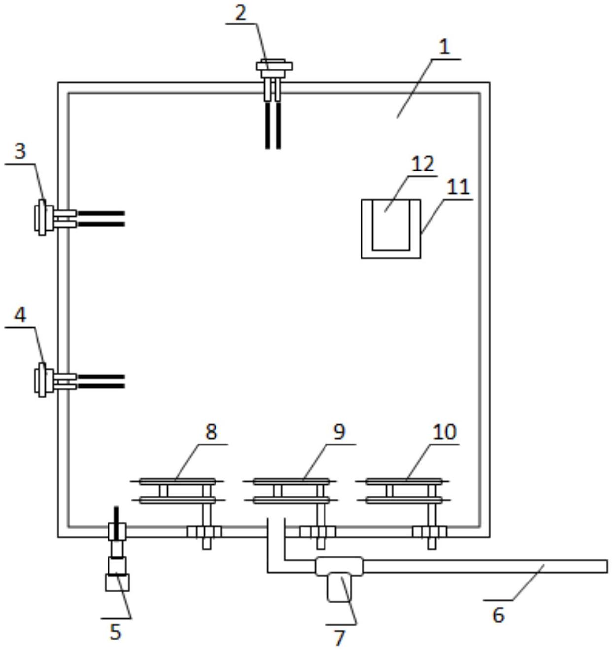
本实用新型公开了一种节能型饮水设备,包括水箱并在水箱底部设有TDS检测计且水箱顶部设有第一水位计并在水箱侧部设有第二水位计与第三水位计,水箱底部与水管连接并在水管上设有阀体与流量计;水箱内底部设有第一加热器、第二加热器与第三加热器;水箱表面设有语音播报器且语音播报器通过卡槽结构与水箱表面活动连接;阀体两端设有连接端,阀体内设有进水管与出水管并在进水管与出水管之间设有进水口且进水口上方设有用于开关的铁芯。本实用新型根据不同水位进行不同频率的加热,根据不同流量进行不同频率的加热,起到节能的有益效果。


