授权公布号:CN213454223U
一种变频加热的开水器
有效
申请
2020-07-06
申请公布
1970-01-01
授权
2021-06-15
预估到期
2030-07-06
| 申请号 | CN202021296244.6 |
| 申请日 | 2020-07-06 |
| 授权公布号 | CN213454223U |
| 授权公告日 | 2021-06-15 |
| 分类号 | F24H1/20;F24H9/18;F24H9/20;F24H9/00;F16J15/02 |
| 分类 | 供热;炉灶;通风; |
| 申请人名称 | 南京骏诺电脑开水器制造有限公司 |
| 申请人地址 | 江苏省南京市溧水区东屏镇工业集中区 |
专利法律状态
2021-06-15
授权
状态信息
授权
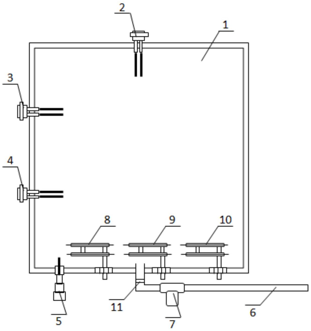
摘要
本实用新型公开了一种变频加热的开水器,包括水箱并在水箱底部设有TDS检测计且水箱顶部设有第一水位计并在水箱侧部设有第二水位计与第三水位计,水箱底部与进水管连接并在进水管上设有连接器与阀体;所述水箱内底部设有第一加热器、第二加热器与第三加热器。本实用新型可以根据不同的水位进行加热器的调整,对水箱内水体进行加热,便于操作,满足多种加热要求。


