授权公布号:CN212447962U
一种新型船用防海盗锁
有效
申请
2020-06-01
申请公布
1970-01-01
授权
2021-02-02
预估到期
2030-06-01
| 申请号 | CN202020966211.1 |
| 申请日 | 2020-06-01 |
| 授权公布号 | CN212447962U |
| 授权公告日 | 2021-02-02 |
| 分类号 | B63B19/00; |
| 分类 | 船舶或其他水上船只;与船有关的设备; |
| 申请人名称 | 南通沪江船舶科技有限公司 |
| 申请人地址 | 江苏省南通市海门市常乐镇常兴路26号内2号房 |
专利法律状态
2021-02-02
授权
状态信息
授权
摘要
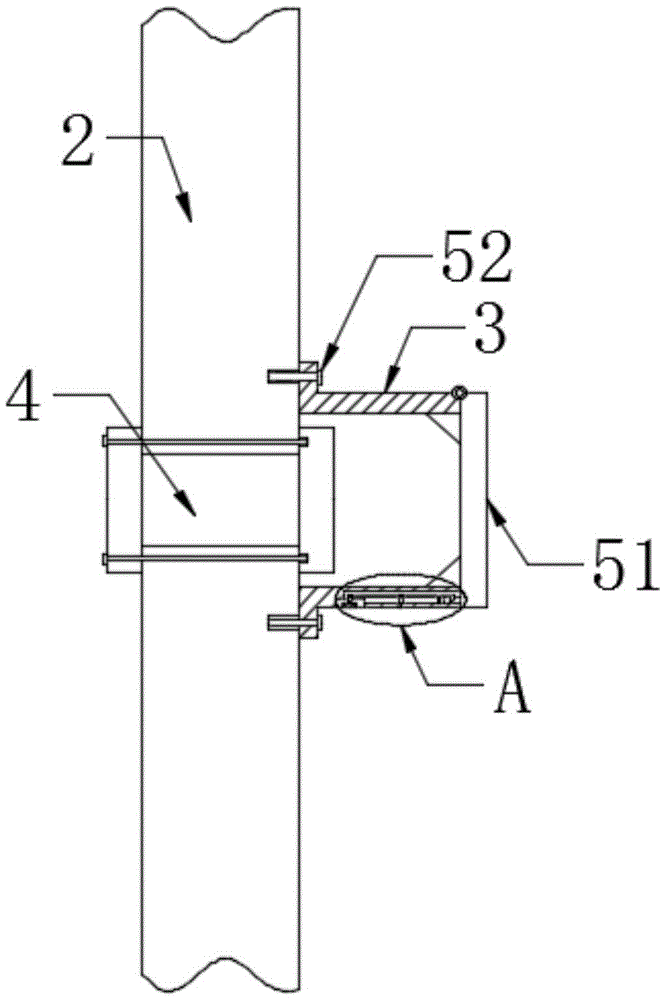
本实用新型提供一种新型船用防海盗锁,包括钢制前护板、防盗螺丝、卡块、加固块、卡杆、支撑头、连接头、拉环以及拉簧,钢制防护壳体内部上下两侧对称安装有防盗螺丝,钢制防护壳体前端面安装有钢制前护板,卡块上端面焊接有卡杆,连接块后侧安装有拉簧,钢制防护壳体内壁上下两侧对称焊接有加固块,钢制防护壳体内部下侧安装有支撑头,卡杆右端面后侧贴合有连接头,连接头下端面安装有拉环,该设计解决了原有船用门锁自身防护能力较弱,容易受到外力损坏的问题,本实用新型结构合理,防护能力强,避免锁体受到外力导致损坏。


