授权公布号:CN216286889U
出袋机控制电路及出袋机
有效
申请
2021-09-22
申请公布
1970-01-01
授权
2022-04-12
预估到期
2031-09-22
| 申请号 | CN202122292276.X |
| 申请日 | 2021-09-22 |
| 授权公布号 | CN216286889U |
| 授权公告日 | 2022-04-12 |
| 分类号 | G07F11/04;G07F11/16;G05B19/04 |
| 分类 | 核算装置; |
| 申请人名称 | 东莞市德益日用品有限公司 |
| 申请人地址 | 广东省东莞市东城街道桑园社区狮环路第二栋一楼 |
专利法律状态
2022-04-12
授权
状态信息
授权
摘要
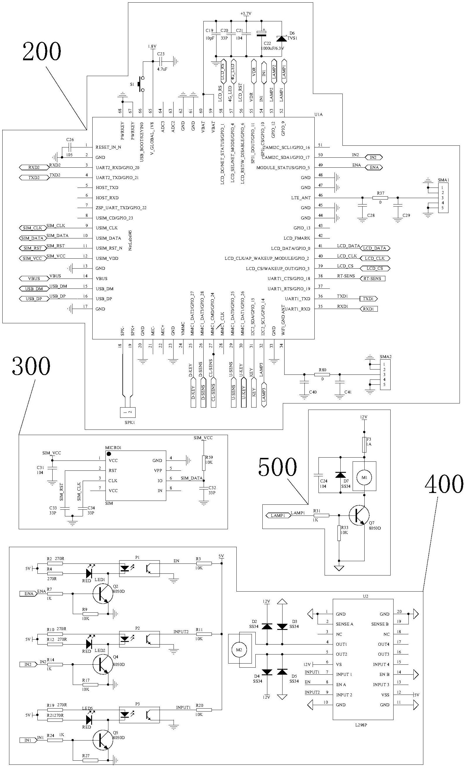
本实用新型属于出袋机控制电路技术领域,尤其涉及一种出袋机控制电路及出袋机,出袋机控制电路包括电源电路和主控电路,所述主控电路与所述电源电路连接,还包括通讯电路、第一电机驱动电路和第二电机驱动电路,其中,所述通讯电路,与所述主控电路连接;所述第一电机驱动电路,与所述主控电路和所述电源电路均连接,并用于驱动出袋机中承载袋子的升降板上升或下降;所述第二电机驱动电路,与所述主控电路和所述电源电路均连接,并用于驱动出袋机中的出袋辊转动以推动放置于升降板上的袋子输出。本实用新型实现满足用户的使用需求,具有极高的实用性。


