授权公布号:CN215817569U
一种超级电容充电电路
有效
申请
2021-06-11
申请公布
1970-01-01
授权
2022-02-11
预估到期
2031-06-11
| 申请号 | CN202121316445.2 |
| 申请日 | 2021-06-11 |
| 授权公布号 | CN215817569U |
| 授权公告日 | 2022-02-11 |
| 分类号 | H02J7/00 |
| 分类 | 发电、变电或配电; |
| 申请人名称 | 深圳市有为信息技术发展有限公司 |
| 申请人地址 | 广东省深圳市福田区梅林街道梅丰社区梅华路105号多丽工业区1层福田国际电子商务产业园3栋101B-A10-06房 |
专利法律状态
2022-02-11
授权
状态信息
授权
摘要
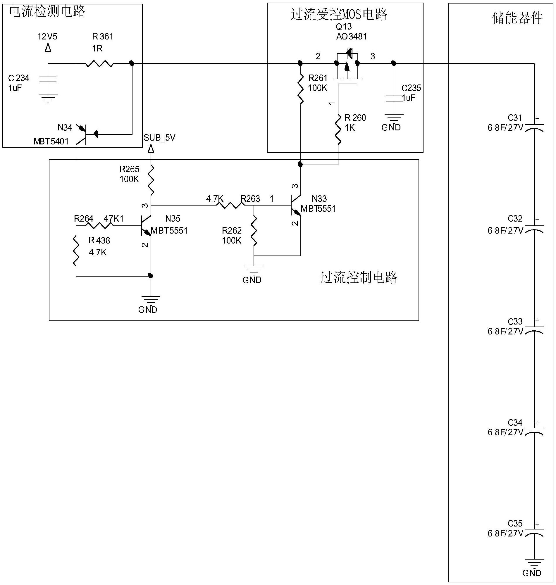
本实用新型提供了一种超级电容充电电路,其包括:电流检测电路、过流受控MOS电路、过流控制电路及储能器件,所述电流检测电路连接于直流充电电源与所述过流受控MOS电路之间,所述过流受控MOS电路与所述储能器件相连接,所述过流控制电路分别与所述电流检测电路和所述过流受控MOS电路相连接,所述储能器件有由多个超级电容串联组成。本实用新型的超级电容充电电路具有充电速度快且充电电流稳定的优点。


