授权公布号:CN108282185B
一种通过充电器座传输对讲机信息的控制电路
有效
申请
2018-02-08
申请公布
2018-07-13
授权
2023-05-26
预估到期
2038-02-08
| 申请号 | CN201810125175.3 |
| 申请日 | 2018-02-08 |
| 申请公布号 | CN108282185A |
| 申请公布日 | 2018-07-13 |
| 授权公布号 | CN108282185B |
| 授权公告日 | 2023-05-26 |
| 分类号 | H04B1/40;H02J7/00 |
| 分类 | 电通信技术; |
| 申请人名称 | 福建省万华电子科技有限公司 |
| 申请人地址 | 福建省泉州市鲤城区南环路926号 |
专利法律状态
2023-05-26
授权
状态信息
授权
2018-07-13
公布
状态信息
公布
摘要
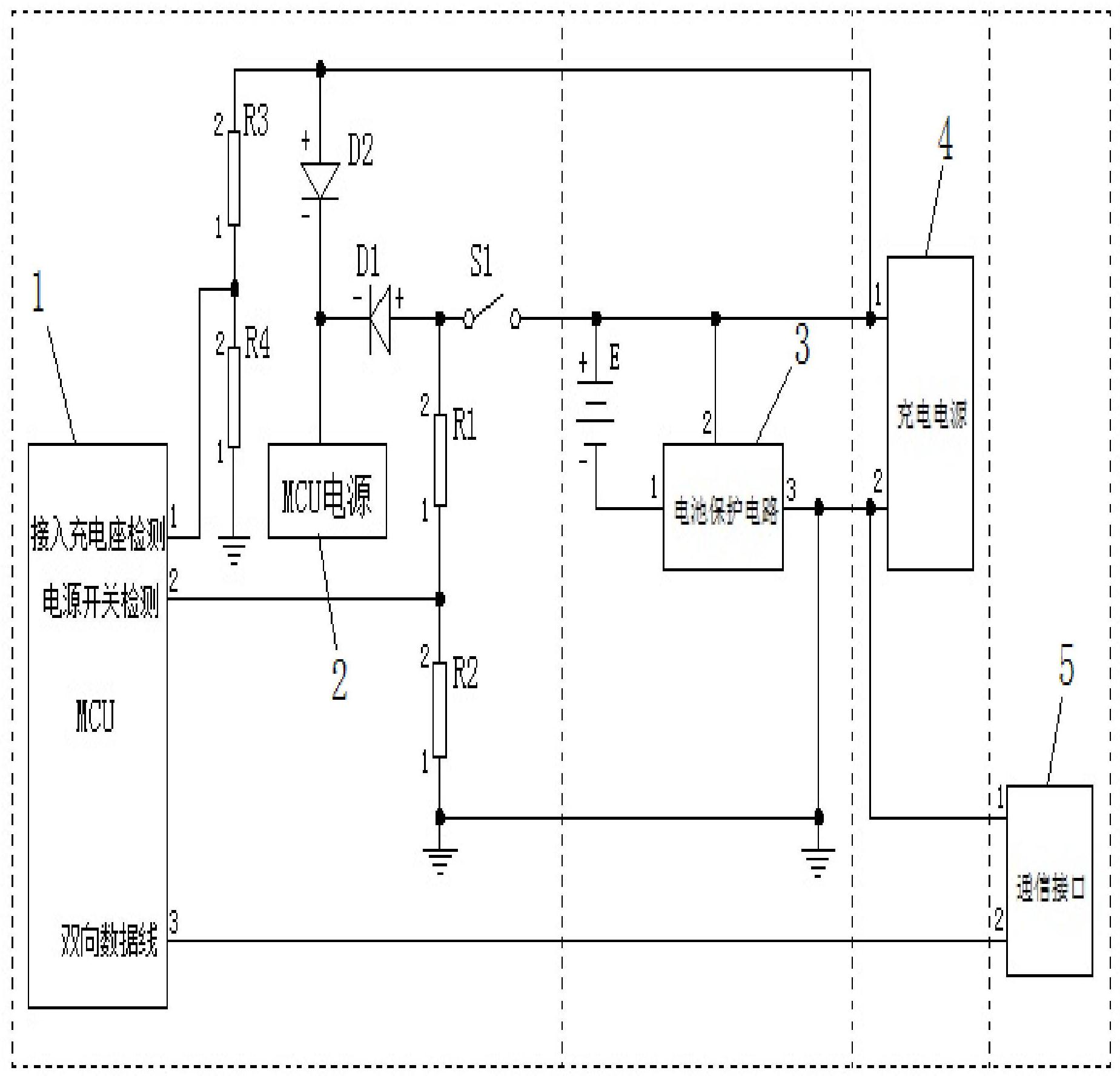
本发明提供一种通过充电器座传输对讲机信息的控制电路,对讲机内的主控MCU、MCU电源、第一电阻、第二电阻、第三电阻、第四电阻、第一二极管、第二二极管、电源开关、充电器电池和电池保护电路,充电座内的充电电源电路以及后台端的通信接口电路,当主控MCU检测第三电阻、第四电阻的分压电路为高电平,则对讲机已插入充电座进行充电,充电座内的充电电源电路通过第二二极管对对讲机的MCU电源供电,主控MCU通过双向数据线向后台端的通信接口电路发起通信请求,当后台响应请求时,则对讲机与后台建立通信。本发明的控制电路,使得对讲机不管是否开机只要插入充电座内,对讲机就能通过充电座与后台进行数据通信。


