授权公布号:CN216540482U
一种门板材加工用液压组合冲床
有效
申请
2021-08-24
申请公布
1970-01-01
授权
2022-05-17
预估到期
2031-08-24
| 申请号 | CN202121998805.1 |
| 申请日 | 2021-08-24 |
| 授权公布号 | CN216540482U |
| 授权公告日 | 2022-05-17 |
| 分类号 | B21D37/10;B21D22/02 |
| 分类 | 基本上无切削的金属机械加工;金属冲压; |
| 申请人名称 | 熊熊安防科技有限公司 |
| 申请人地址 | 浙江省金华市武义县桐琴五金机械工业园(武义九龙工具有限公司内4幢第一层) |
专利法律状态
2022-05-17
授权
状态信息
授权
摘要
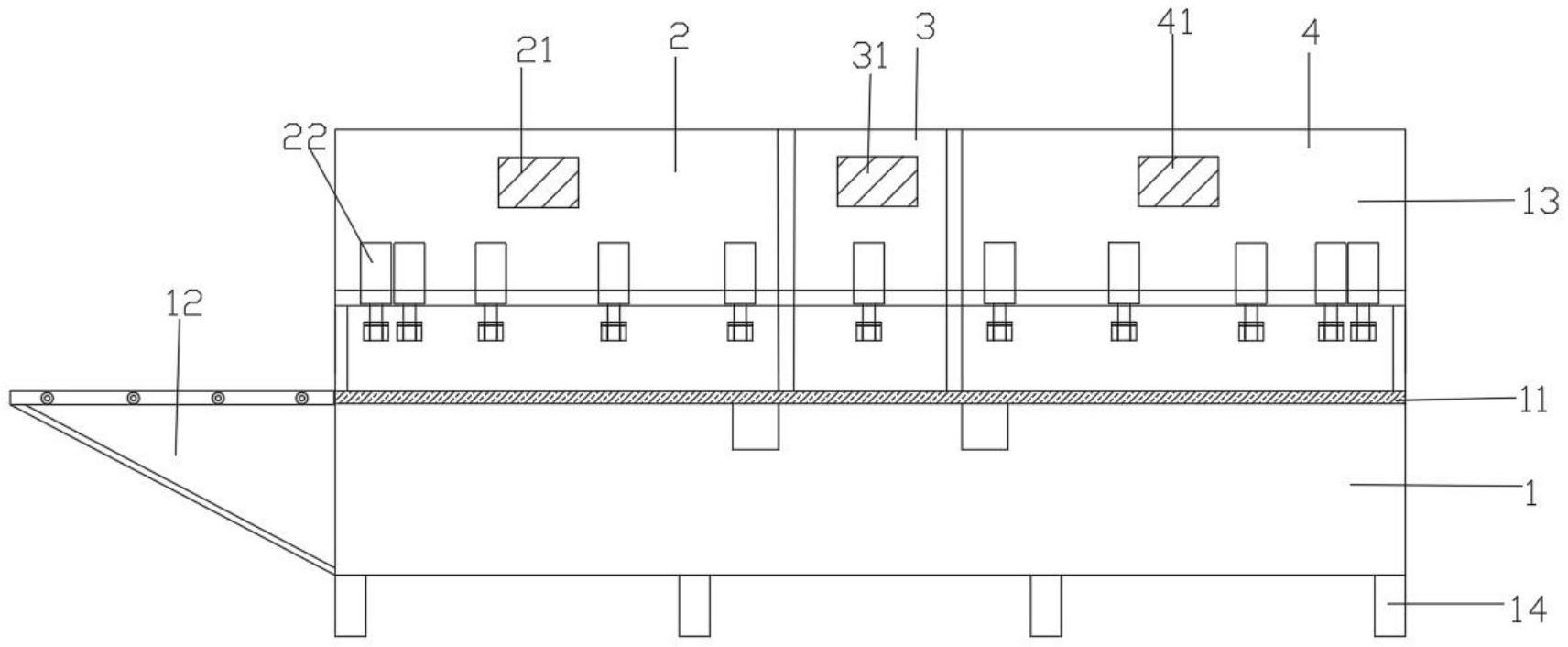
本实用新型公开了一种门板材加工用液压组合冲床,包括承载机构、第一冲床、第二冲床和第三冲床,第一冲床、第二冲床和第三冲床并列设于承载机构,且第二冲床位于中间位置;承载机构包括底座、工作台和支撑架,工作台与底座顶端焊接,支撑架与底座焊接;冲床机构包括下模座、复位弹簧和冲压组件,下模座焊接于工作台上,复位弹簧一端与下模座连接,复位弹簧另一端与冲压组件连接,冲压组件包括冲子、上模座、活塞和液压缸,液压缸与支撑架固定连接,活塞一端与液压缸连接,活塞另一端与上模座一端固定连接,上模座另一端焊接有复位弹簧,解决了现有技术中门板材加工用液压冲床每个工位不能单独工作的问题。


