授权公布号:CN212676875U
一种电涌保护器放置底座
有效
申请
2020-08-18
申请公布
1970-01-01
授权
2021-03-09
预估到期
2030-08-18
| 申请号 | CN202021723875.1 |
| 申请日 | 2020-08-18 |
| 授权公布号 | CN212676875U |
| 授权公告日 | 2021-03-09 |
| 分类号 | H02G13/00;H02H9/04;H02H1/00;H05K7/20 |
| 分类 | 发电、变电或配电; |
| 申请人名称 | 江苏宝尔格电气有限公司 |
| 申请人地址 | 江苏省南京市江北新区沿江街道浦洲路35-3号 |
专利法律状态
2021-03-09
授权
状态信息
授权
摘要
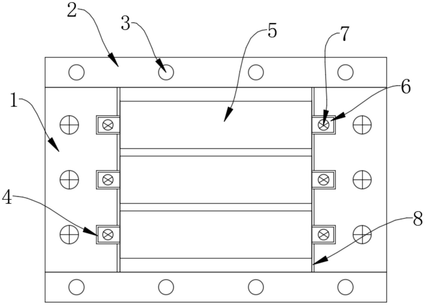
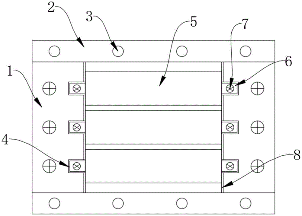
本实用新型公开了一种电涌保护器放置底座,涉及电涌保护器技术领域,为解决现有的电涌保护器放置底座不方便进行安装,使用性能不够完善的问题。所述电涌保护器放置底座的两端均安装有安装固定辅助边,所述电涌保护器放置底座内部的两侧均设置有固定连接滑槽,所述电涌保护器放置底座的内部安装有电涌保护器,所述电涌保护器的两侧均安装有固定连接滑块,所述电涌保护器放置底座内部的下方设置有安装槽,所述电涌保护器放置底座两侧的内部均安装有散热侧板。


