授权公布号:CN220455416U
直流充电桩母线高压隔离采样电路
有效
申请
2023-07-25
申请公布
1970-01-01
授权
2024-02-06
预估到期
2033-07-25
| 申请号 | CN202321967585.5 |
| 申请日 | 2023-07-25 |
| 授权公布号 | CN220455416U |
| 授权公告日 | 2024-02-06 |
| 分类号 | G01R19/00;G01R15/14;H03M1/12;H03F3/45;H03H7/01 |
| 分类 | 测量;测试; |
| 申请人名称 | 杭州超翔科技有限公司 |
| 申请人地址 | 浙江省杭州市余杭区仓前街道向往街1008号 |
专利法律状态
2024-02-06
授权
状态信息
授权
摘要
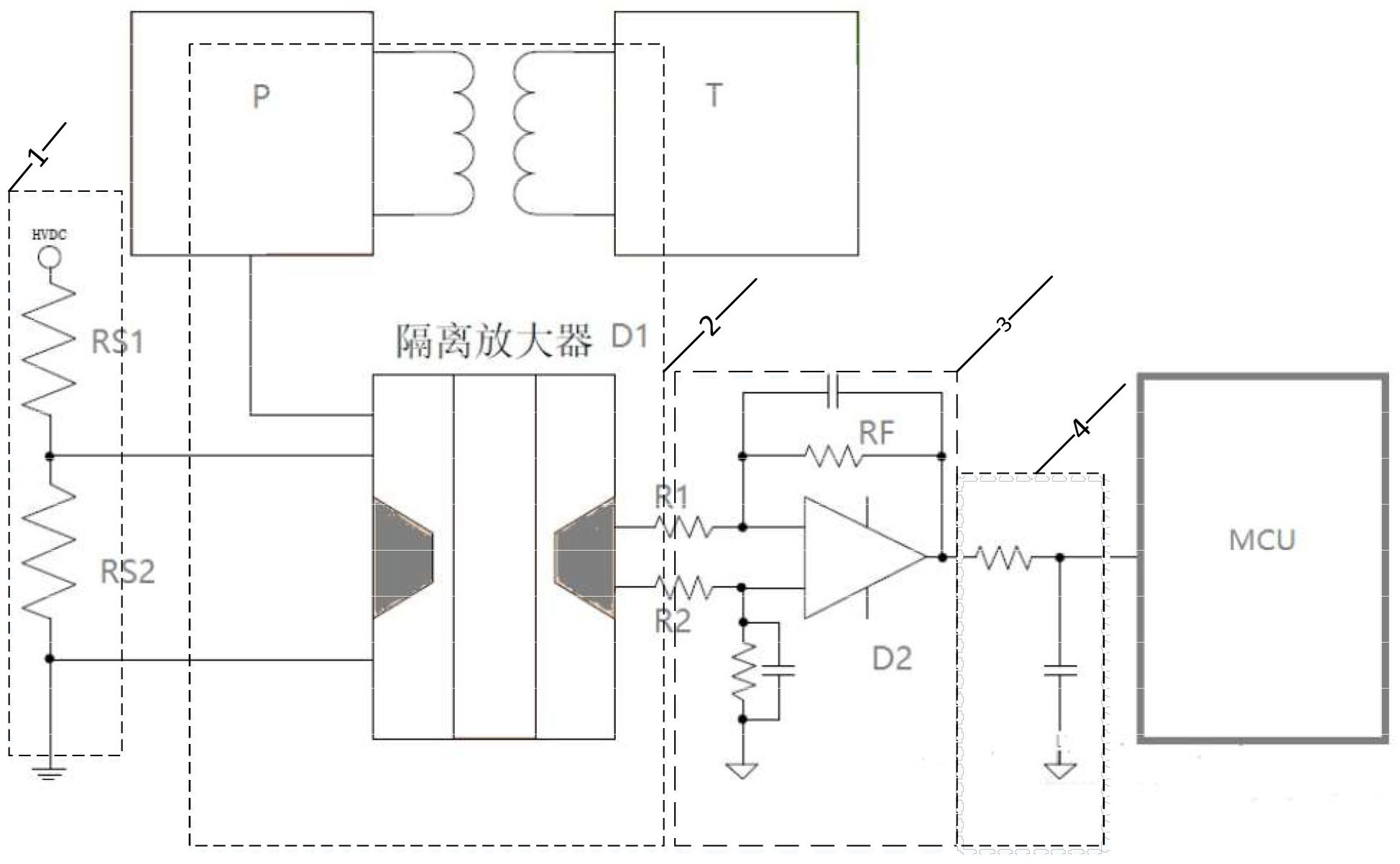
本申请提供一种直流充电桩母线高压隔离采样电路,包括分压电路、隔离电路、差分放大电路和滤波电路;所述分压电路一端连接直流充电桩母线高压输出端,另一端连接隔离电路;所述隔离电路包括隔离放大器、隔离电源和变压器;所述隔离电源连接隔离放大器的输入端,所述变压器连接隔离放大器的输出端,所述隔离电源与变压器耦合,所述隔离放大器的输出端连接差分放大电路的输入端,所述差分放大电路的输出端连接滤波电路,所述滤波电路连接MCU的信号采集接口。将充电桩端的高压进行1:1分压后采用隔离放大器进行隔离采集,通过极低的失调电压和增益误差,确保了其在全温度范围内的采样精度。


