授权公布号:CN217812965U
一种可调门缝及开合限位的天地隐藏铰链
有效
申请
2022-06-29
申请公布
1970-01-01
授权
2022-11-15
预估到期
2032-06-29
| 申请号 | CN202221638579.0 |
| 申请日 | 2022-06-29 |
| 授权公布号 | CN217812965U |
| 授权公告日 | 2022-11-15 |
| 分类号 | E05D7/04;E05D11/10 |
| 分类 | 锁;钥匙;门窗零件;保险箱; |
| 申请人名称 | 广州市欧美嘉实业投资有限公司 |
| 申请人地址 | 广东省广州市荔湾区南岸公路18号后座自编8号三层302房 |
专利法律状态
2022-11-15
授权
状态信息
授权
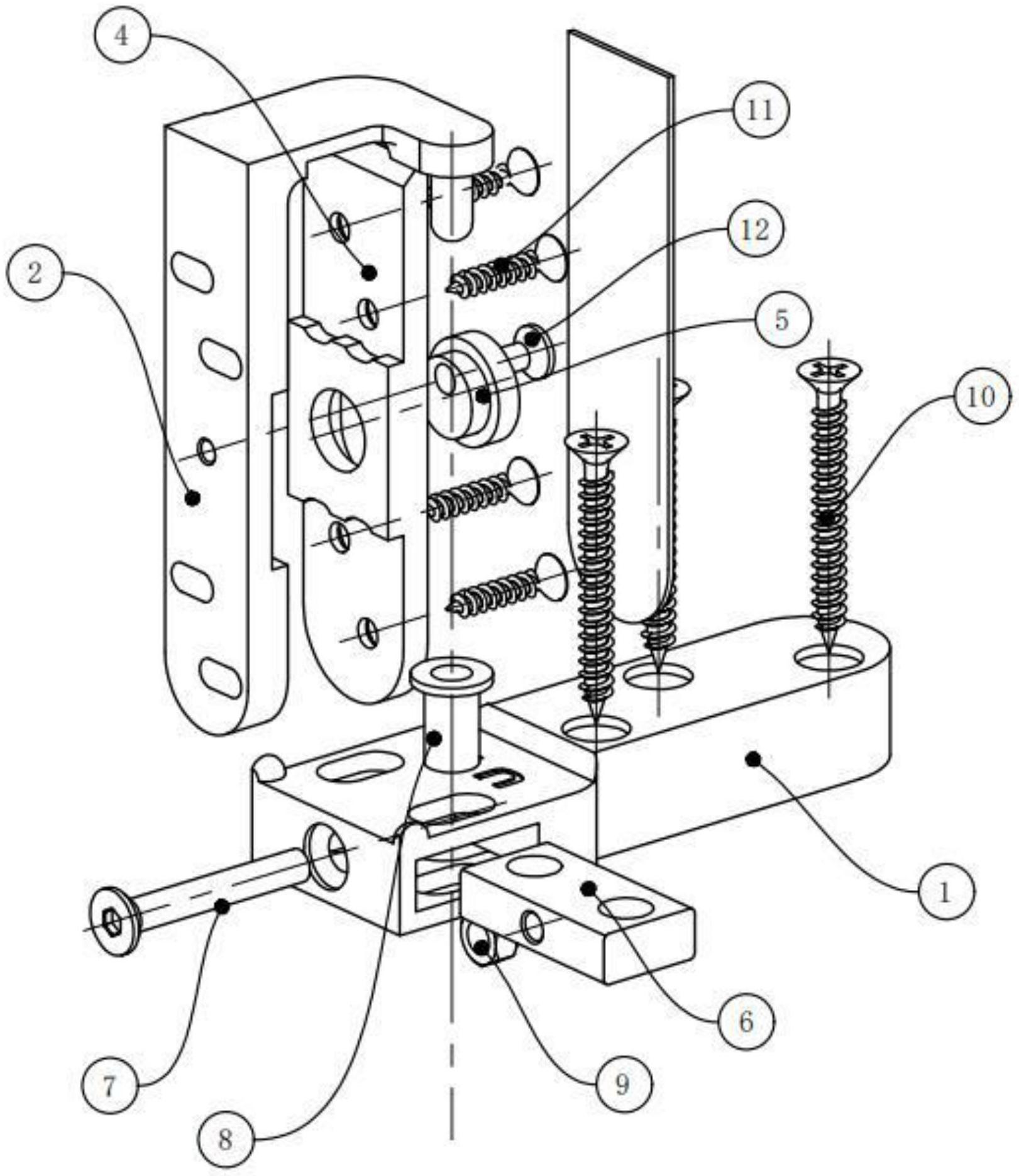
摘要
本实用新型提供了一种可调门缝及开合限位的天地隐藏铰链,包括:门体固件,门体固件包括门体固件本体,门体固件本体的端边上设置有门缝调节件安装槽,门体固件本体顶面位于门缝调节件安装槽的上方安装有转轴轴套孔,门缝调节件安装在门缝调节件安装槽内,第一沉杯机丝沿横向贯穿门缝调节件,门框调节件包括门框调节件本体,门框调节件本体上设置有转轴,转轴轴套套接在转轴上,转轴轴套插入至门体固件本体上设置的转轴轴套孔内,门框固件安装在门框调节件本体的前侧面上,偏心轮安装在门框固件上且通过第二沉杯机丝与门框调节件连接。本天地隐藏铰链可以实现开门角度的限位调节和安装时的门缝调节,且可将铰链隐藏在门体内,整体美观。


