授权公布号:CN217915599U
一种集装箱地板生产加工用裁切设备
有效
申请
2022-09-16
申请公布
1970-01-01
授权
2022-11-29
预估到期
2032-09-16
| 申请号 | CN202222449862.5 |
| 申请日 | 2022-09-16 |
| 授权公布号 | CN217915599U |
| 授权公告日 | 2022-11-29 |
| 分类号 | B26D7/02;B26D7/18;B01D47/06 |
| 分类 | 手动切割工具;切割;切断; |
| 申请人名称 | 中辉绿建集装箱有限公司 |
| 申请人地址 | 广东省佛山市顺德区大良街道五沙居委会新悦路18号首层之五 |
专利法律状态
2022-11-29
授权
状态信息
授权
摘要
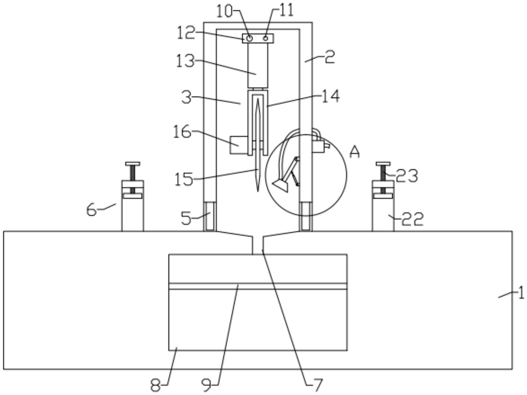
本实用新型公开了一种集装箱地板生产加工用裁切设备,包括工作台、防尘罩、集装箱地板裁切组件、降尘组件、清理海绵和固定组件,所述固定组件设于工作台上,所述防尘罩设于工作台上,所述集装箱地板裁切组件设于防尘罩内,所述降尘组件设于防尘罩上,所述防尘罩上对称设有两组通口,所述清理海绵设有两组,两组所述清理海绵分别设于两组通口处,所述工作台上设有切割槽和集水槽,所述切割槽和集水槽连通,所述集水槽内设有筛板。本实用新型涉及裁切设备技术领域,具体是提供了一种便于对集装箱地板进行固定,具有降尘功能,便于对裁切后的集装箱地板进行清理的集装箱地板生产加工用裁切设备。


