授权公布号:CN218817291U
一种泄压系统
有效
申请
2022-09-16
申请公布
1970-01-01
授权
2023-04-07
预估到期
2032-09-16
| 申请号 | CN202222466661.6 |
| 申请日 | 2022-09-16 |
| 授权公布号 | CN218817291U |
| 授权公告日 | 2023-04-07 |
| 分类号 | F15B11/08;F15B13/02;F15B15/22;F15B20/00 |
| 分类 | 流体压力执行机构;一般液压技术和气动技术; |
| 申请人名称 | 佛山市恒力泰机械有限公司 |
| 申请人地址 | 广东省佛山市三水中心科技工业区C区25号(F4) |
专利法律状态
2023-04-07
授权
状态信息
授权
摘要
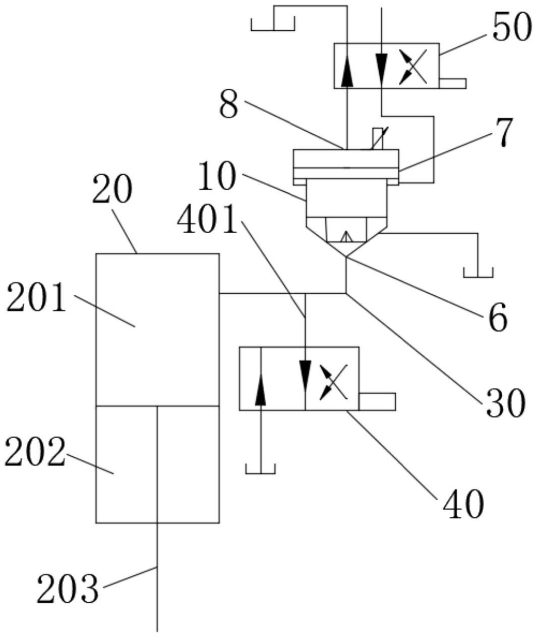
本实用新型公开了一种泄压系统,包括控制阀、缸体、连通管和辅助阀,所述缸体内设有泄压腔、活动腔以及设于所述泄压腔和所述活动腔之间的活塞杆,所述控制阀通过所述连通管与所述泄压腔连通,所述辅助阀设于所述控制阀与所述泄压腔之间,所述辅助阀与所述连通管连通,所述泄压系统还包括流量阀,所述控制阀与所述流量阀的进口和出口连通,所述泄压系统还包括进出管,所述控制阀通过所述进出管与所述活动腔连通。采用本实用新型,能够控制泄压速度和泄压压力,能够在泄压时使活塞杆保持静止,而且泄压效率高。


