授权公布号:CN218685807U
防火卷帘控制系统
有效
申请
2022-11-04
申请公布
1970-01-01
授权
2023-03-24
预估到期
2032-11-04
| 申请号 | CN202222951081.6 |
| 申请日 | 2022-11-04 |
| 授权公布号 | CN218685807U |
| 授权公告日 | 2023-03-24 |
| 分类号 | A62C2/24;A62C2/16;G08B17/107;G08B3/10;G08B25/00;H02H5/00;E06B9/15;E06B9/68 |
| 分类 | 救生;消防; |
| 申请人名称 | 北京玛钢炜业消防科技有限公司 |
| 申请人地址 | 河北省唐山市汉沽管理区临津产业园 |
专利法律状态
2023-03-24
授权
状态信息
授权
摘要
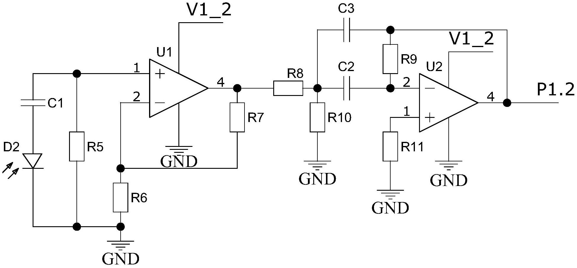
本实用新型涉及防火卷帘控制技术领域,提出了防火卷帘控制系统,包括防火卷帘,防火卷帘用于防火分隔,其特征在于,还包括主控单元、通信单元、烟雾检测装置和报警单元,烟雾检测装置和报警单元均连接主控单元,主控单元借助通信单元与消防控制中心通讯连接,烟雾检测装置包括红外发射电路和红外接收电路。通过上述技术方案,解决了现有技术中火灾检测装置的检测精度低、功耗高以及检测效果差,从而无法及时使防火卷帘起到隔离作用的问题。


