授权公布号:CN211193209U
一种板材加工用去毛边装置
有效
申请
2019-10-16
申请公布
1970-01-01
授权
2020-08-07
预估到期
2029-10-16
| 申请号 | CN201921763368.8 |
| 申请日 | 2019-10-16 |
| 授权公布号 | CN211193209U |
| 授权公告日 | 2020-08-07 |
| 分类号 | B24B9/00;B24B41/06;B24B47/22;B24B47/12;B24B47/20 |
| 分类 | 磨削;抛光; |
| 申请人名称 | 山东福茂装饰材料有限公司 |
| 申请人地址 | 山东省临沂市兰山义堂镇太和庄村 |
专利法律状态
2020-08-07
授权
状态信息
授权
摘要
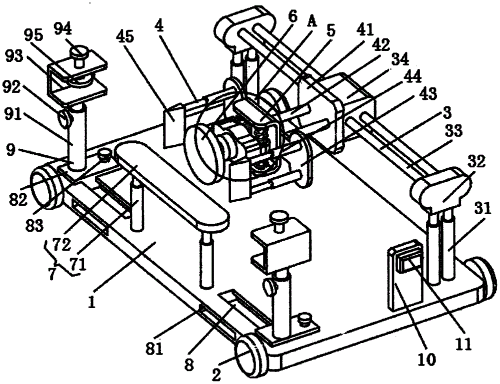
本实用新型公开了一种板材加工用去毛边装置,包括底板,所述底板的侧面设有四个均匀分布的脚轮,且底板的上表面右端设有支撑架,支撑架的第一电动伸缩杆的固定端与底板的上表面固定连接,且支撑架的直线电机左侧面设有调节架,调节架的固定板与直线电机的左侧面固定连接,且调节架的安装板左侧面中部设有固定座。该板材加工用去毛边装置,可以移动,避免板材的移动,同时可以根据板材的位置对打磨装置、支撑装置和定位装置的高度进行调节,便于对板材进行支撑、固定和打磨去毛边操作,工作效率高,去毛边效果好,避免人体吸入粉尘,从而避免打磨过程中产生的粉尘对操作人员造成危害,安全性高,使用方便。


