授权公布号:CN106209168B
交流电削波编码通信系统、采用交流电削波编码通信技术的控制系统
有效
申请
2016-07-13
申请公布
2016-12-07
授权
2019-01-15
预估到期
2036-07-13
| 申请号 | CN201610556997.8 |
| 申请日 | 2016-07-13 |
| 申请公布号 | CN106209168A |
| 申请公布日 | 2016-12-07 |
| 授权公布号 | CN106209168B |
| 授权公告日 | 2019-01-15 |
| 分类号 | H04B3/54 |
| 分类 | 电通信技术; |
| 申请人名称 | 广州翊创智能科技有限公司 |
| 申请人地址 | 广东省广州市黄埔区茅岗路828号自编36号楼二层203、204、205、206房 |
专利法律状态
2019-07-12
专利申请权、专利权的转移
状态信息
专利权的转移;IPC(主分类):H04B3/54;专利号:ZL2016105569978;登记生效日:20190625;变更事项:专利权人;变更前权利人:王海强;变更后权利人:广州翊创智能科技有限公司;变更事项:地址;变更前权利人:510220 广东省广州市海珠区石榴岗路106号74栋102房;变更后权利人:510700 广东省广州市黄埔区茅岗路828号自编36号楼二层203、204、205、206房
2019-01-15
发明专利权授予
状态信息
授权
2017-01-04
实质审查的生效
状态信息
实质审查的生效;IPC(主分类):H04B3/54;申请日:20160713
2016-12-07
发明专利申请公布
状态信息
公布
摘要
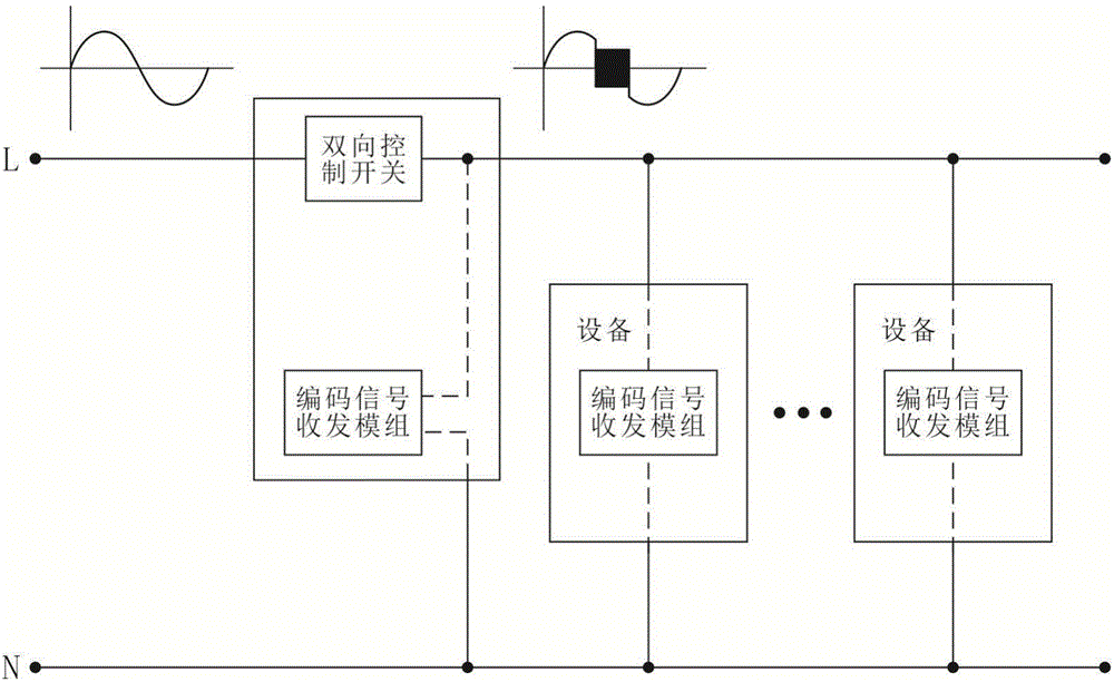
交流电削波编码通信系统,在交流干路中,以交流电的实时过零点作为时间基准,对一到多个交流电半波周期的边沿进行削波,通过削波对交流干路在半波周期内实施预设时长的通断控制;在交流支路中,每次削波期间加载一次编码电平脉冲信号,所述的编码电平脉冲信号用于交流回路中的设备通讯或设备控制,其数据长度为一到多个比特。本发明利用现有的交流供电线路,在无需额外布线的前提下,实现交流供电回路电器设备(尤其是照明设备)之间的数据通讯,可以此建立可靠性高、功能灵活的智能化控制系统,能做为物联网的电力线通讯的技术基础。


