授权公布号:CN217882821U
一种用于电动自行车集中充电设备的免保险丝过流电路
有效
申请
2022-04-28
申请公布
1970-01-01
授权
2022-11-22
预估到期
2032-04-28
| 申请号 | CN202221037478.8 |
| 申请日 | 2022-04-28 |
| 授权公布号 | CN217882821U |
| 授权公告日 | 2022-11-22 |
| 分类号 | H02H3/08;H02H3/06 |
| 分类 | 发电、变电或配电; |
| 申请人名称 | 嘉兴智行物联网技术有限公司 |
| 申请人地址 | 浙江省嘉兴市经济技术开发区昌盛南路36号嘉兴智慧产业创新园9幢B厅501室 |
专利法律状态
2023-12-15
专利权人的姓名或者名称、地址的变更
状态信息
专利权人的姓名或者名称、地址的变更;IPC(主分类):H02H3/08;专利号:ZL2022210374788;变更事项:专利权人;变更前:嘉兴智行物联网技术有限公司;变更后:嘉兴智行物联网技术有限公司;变更事项:地址;变更前:314001 浙江省嘉兴市南湖区昌盛南路36号11幢901室;变更后:314001 浙江省嘉兴市经济技术开发区昌盛南路36号嘉兴智慧产业创新园9幢B厅501室
2022-11-22
授权
状态信息
授权
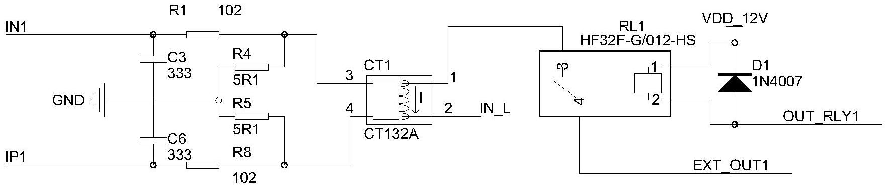
摘要
本实用新型公开了一种用于电动自行车集中充电设备的免保险丝过流电路,用于充电设备的过电流保护,包括继电器电路、电流处理电路、控制电路和驱动电路,所述继电器电路与所述电流处理电路的输入端电性连接并且所述电流处理电路的输出端与所述控制电路的输入端电性连接。本实用新型公开的一种用于电动自行车集中充电设备的免保险丝过流电路,负载通过继电器控制,继电器输出端连接电流互感器,计量芯片U1通过电流互感器读取负载电流值,通过对芯片电流超限寄存器设定限流值,当负载电流超过设定值时,计量芯片U1的M1引脚电平会从低电平变成高电平再由控制器U11捕获到该引脚电平跳变,切断继电器。


