授权公布号:CN216355972U
一种防逆接电路
有效
申请
2021-11-03
申请公布
1970-01-01
授权
2022-04-19
预估到期
2031-11-03
| 申请号 | CN202122672707.5 |
| 申请日 | 2021-11-03 |
| 授权公布号 | CN216355972U |
| 授权公告日 | 2022-04-19 |
| 分类号 | H02H11/00;G08B7/06;H05B45/30 |
| 分类 | 发电、变电或配电; |
| 申请人名称 | 纽福克斯光电科技(上海)有限公司 |
| 申请人地址 | 上海市青浦区外青松公路4589号 |
专利法律状态
2022-04-19
授权
状态信息
授权
摘要
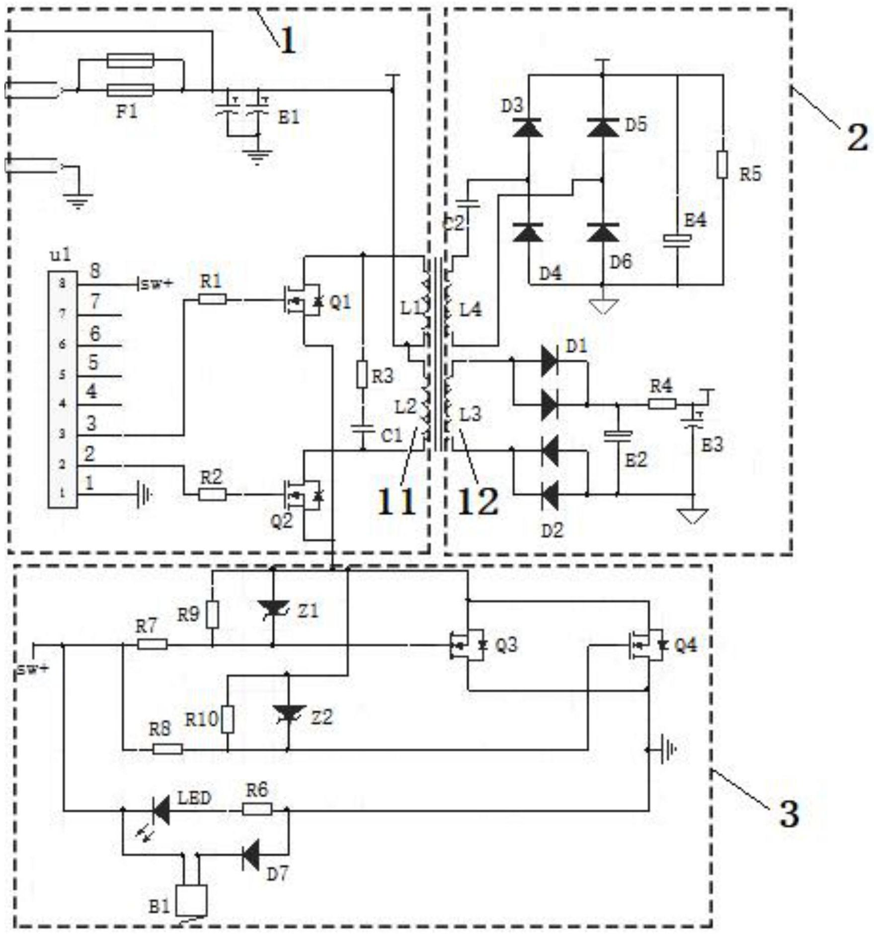
本实用新型提供一种防逆接电路,包括一工作模块,工作模块的输入端连接一控制板,工作模块的输出端为一第一线圈组;一散热模块,散热模块的输入端为一第二线圈组,第一线圈组与第二线圈组的线圈互感;一防逆接模块,防逆接模块的输入端连接一输入电源的负极,防逆接模块通过一节点连接工作模块,输入电源为逆接时,工作模块为开路,防逆接模块上的一蜂鸣器和一发光二极管进入工作状态,以保护电路并提醒用户。有益效果是本电路使用场效应管源极接地方式,控制方法简单实用,场效应管导通内阻小,发热低,并且采用无触点控制,使用寿命长。


