授权公布号:CN218771759U
一种方波逆变器电路
有效
申请
2022-11-24
申请公布
1970-01-01
授权
2023-03-28
预估到期
2032-11-24
| 申请号 | CN202223128433.4 |
| 申请日 | 2022-11-24 |
| 授权公布号 | CN218771759U |
| 授权公告日 | 2023-03-28 |
| 分类号 | H02M1/32;H02M7/5387 |
| 分类 | 发电、变电或配电; |
| 申请人名称 | 纽福克斯光电科技(上海)有限公司 |
| 申请人地址 | 上海市青浦区外青松公路4589号 |
专利法律状态
2023-03-28
授权
状态信息
授权
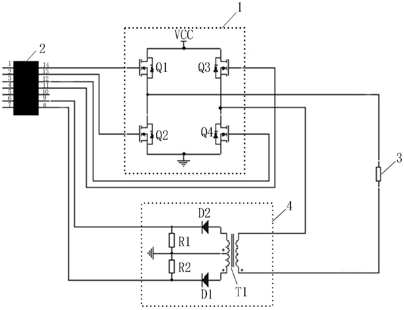
摘要
本实用新型提供一种方波逆变器电路,涉及逆变器技术领域,包括:全桥输出电路的多个输入端分别与驱动芯片的多个输出端对应连接;负载分别与全桥输出电路和短路保护电路连接,短路保护电路连接全桥输出电路;短路保护电路的多个输出端分别连接驱动芯片多个输入端;短路保护电路检测到流经负载的电流大于预设值且电流方向为第一方向时,向驱动芯片的第一输入端发送短路保护信号,以及在电流方向为第二方向时,向驱动芯片的第二输入端发送短路保护信号。有益效果是通过改变短路保护电路中电流检测的方式,增加一路保护电路,使短路保护电路能识别电流方向,根据电流方向交替启动两路保护电路,降低热量提升启动能力的同时也增加短路保护的可靠性。


