授权公布号:CN106533192B
一种正弦波智能降压转换装置
有效
申请
2016-11-25
申请公布
2017-03-22
授权
2023-04-18
预估到期
2036-11-25
| 申请号 | CN201611063620.5 |
| 申请日 | 2016-11-25 |
| 申请公布号 | CN106533192A |
| 申请公布日 | 2017-03-22 |
| 授权公布号 | CN106533192B |
| 授权公告日 | 2023-04-18 |
| 分类号 | H02M5/458;H02M1/12;H02M7/5395;H02M3/335 |
| 分类 | 发电、变电或配电; |
| 申请人名称 | 广东百事泰医疗器械股份有限公司 |
| 申请人地址 | 广东省深圳市宝安区西乡街道铁岗社区宝田一路358号厂区三层 |
专利法律状态
2023-04-18
授权
状态信息
授权
2017-03-22
公布
状态信息
公布
摘要
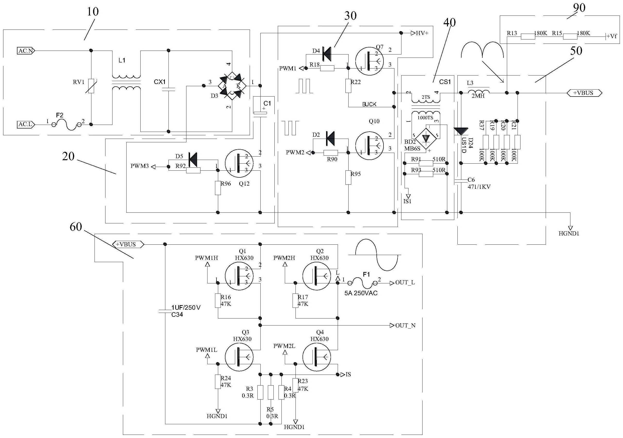
本发明公开了一种正弦波智能降压转换装置,其包括有:输入整流单元;高频调制单元,包括有第一开关管和第二开关管,第一开关管的漏极连接于输入整流单元的输出端,第一开关管的源极与第二开关管的漏极相连,第二开关管的源极接地,第一开关管的栅极和第二开关管的栅极分别用于接入相位相反的两路PWM脉冲信号;电感滤波单元,包括有电感和第一电容,电感的前端连接于第一开关管的源极;逆变倒相单元;滤波控制单元,包括有电解电容和第三开关管,电解电容的正极连接于输入整流单元的输出端,电解电容的负极连接于第三开关管的漏极,第三开关管的源极接地。本发明降压转换效果好、可避免对负载造成伤害、便于携带并且能避免对电网造成干扰。


