授权公布号:CN213069224U
一种具有自动判断停电提醒的智能终端检测装置
有效
申请
2020-09-21
申请公布
1970-01-01
授权
2021-04-27
预估到期
2030-09-21
| 申请号 | CN202022072836.6 |
| 申请日 | 2020-09-21 |
| 授权公布号 | CN213069224U |
| 授权公告日 | 2021-04-27 |
| 分类号 | G01V9/00;G05B19/042 |
| 分类 | 测量;测试; |
| 申请人名称 | 河南力安测控科技有限公司 |
| 申请人地址 | 河南省郑州市高新技术开发区翠竹街1号总部企业基地77号楼 |
专利法律状态
2021-04-27
授权
状态信息
授权
摘要
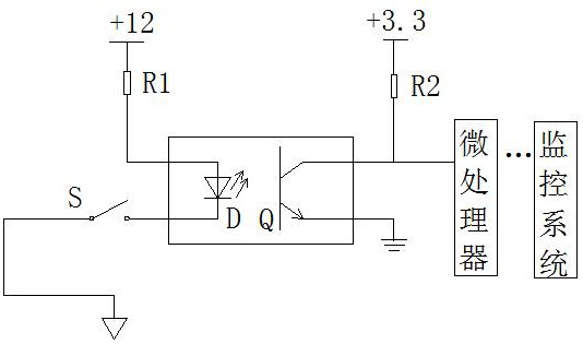
本实用新型提供了一种具有自动判断停电提醒的智能终端检测装置,包括设置在智能终端的配电箱门上的行程开关、光电隔离回路、微处理器和供电电源;所述行程开关用于采集配电箱门的开门信号;行程开关的输出端与光电隔离回路的输出端连接,光电隔离回路的输出端与微处理器的输入端连接,微处理器与环保监控系统通信;所述的供电电源为微处理器供电;本实用新型所述的一种具有自动判断停电提醒的智能终端检测装置,通过设置在配电箱门上的行程开关,采集配电箱门是否被认为开启,进而为治污设备智能终端断电(下线)是否为认为操作的提供判断依据。


