授权公布号:CN207756127U
含醛冷凝水回用装置
有效
申请
2017-12-08
申请公布
1970-01-01
授权
2018-08-24
预估到期
2027-12-08
| 申请号 | CN201721701266.4 |
| 申请日 | 2017-12-08 |
| 授权公布号 | CN207756127U |
| 授权公告日 | 2018-08-24 |
| 分类号 | B01J19/00 |
| 分类 | 一般的物理或化学的方法或装置; |
| 申请人名称 | 云南新泽兴人造板有限公司 |
| 申请人地址 | 云南省昆明市富民工业园区林产工业精品园 |
专利法律状态
2018-08-24
授权
状态信息
授权
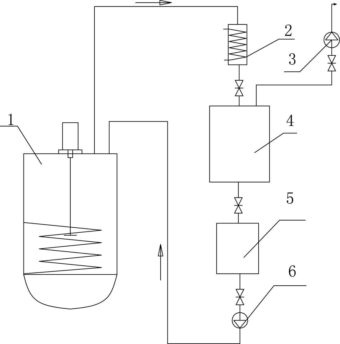
摘要
本实用新型属于制胶设备领域,具体为一种含醛冷凝水回用装置,设置于制胶反应釜外,其特征在于该回用装置包括冷凝器、真空罐、计量储水罐以及冷凝水泵:所述的反应釜出水管路、冷凝器、真空罐、储水罐以及冷凝水泵依次连通;所述的真空罐上还设置有用于排气的真空泵;冷凝器和真空罐、真空罐和储水罐、储水罐和冷凝水泵间还设置有阀门。采用该设备可有效回收利用含甲醛冷凝水,有效解决了制胶工厂含甲醛冷凝水难处理的问题。


