授权公布号:CN218733905U
一种DC电源的串并联自动切换控制电路
有效
申请
2022-11-09
申请公布
1970-01-01
授权
2023-03-24
预估到期
2032-11-09
| 申请号 | CN202222975199.2 |
| 申请日 | 2022-11-09 |
| 授权公布号 | CN218733905U |
| 授权公告日 | 2023-03-24 |
| 分类号 | H02M3/155;H02M1/08;H02M1/00 |
| 分类 | 发电、变电或配电; |
| 申请人名称 | 绍兴合田新能源有限公司 |
| 申请人地址 | 浙江省绍兴市越城区开源路以北7幢 |
专利法律状态
2023-03-24
授权
状态信息
授权
摘要
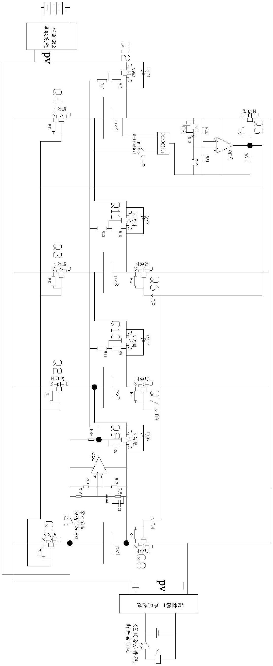
本实用新型公开了一种DC电源的串并联自动切换控制电路,包括在光伏组件上通过多个N沟道MOS管的相互连接,并采用继电器K1在串联和并联之间进行切换,实现对两侧进行不同电压的输出。本实用新型具有以下优点和效果:通过开关投切,简单实现DC电源串联并联的自动切换,方便了电源的组合使用。


