授权公布号:CN210649595U
用于四轴数控加工中心的尾座顶针定位组合夹具
有效
申请
2019-09-11
申请公布
1970-01-01
授权
2020-06-02
预估到期
2029-09-11
| 申请号 | CN201921506695.5 |
| 申请日 | 2019-09-11 |
| 授权公布号 | CN210649595U |
| 授权公告日 | 2020-06-02 |
| 分类号 | B23Q3/06;B23B23/04 |
| 分类 | 机床;不包含在其他类目中的金属加工; |
| 申请人名称 | 恩欣格工程塑料(上海)有限公司 |
| 申请人地址 | 上海市松江区工业区锦昔园C3号A座厂房 |
专利法律状态
2020-06-02
授权
状态信息
授权
摘要
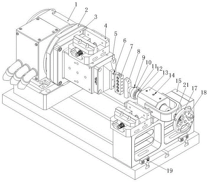
一种用于四轴数控加工中心的尾座顶针定位组合夹具,包括底座及相互正对的设置于底座上的旋转定位机构和顶针机构,旋转定位机构包括数控分度盘装置、连接于分度盘前端的四面体旋转夹具本体及连接于四面体旋转夹具本体的前端的定位块,顶针机构包括尾座本体、穿设于尾座本体的通孔内的顶尖、设置于顶尖后端的顶针丝杆、设置于顶针丝杆后端的顶针手柄盘、套设于顶尖前端的顶尖定位套及设置于顶尖定位套前端的顶针定位块,定位块的定位销与顶针定位块的定位销相互正对,尾座本体的后端固定连接有U形件,该U形件的中部设置有丝母,顶针丝杆穿设于该丝母内,顶尖定位套与顶尖之间设置有轴承。它可在四轴数控加工中心基础上实现第五轴动作及加工。


