授权公布号:CN114290685B
一种超声波发生器和超声波系统
有效
申请
2021-12-30
申请公布
2022-04-08
授权
2024-02-06
预估到期
2041-12-30
| 申请号 | CN202111657736.2 |
| 申请日 | 2021-12-30 |
| 申请公布号 | CN114290685A |
| 申请公布日 | 2022-04-08 |
| 授权公布号 | CN114290685B |
| 授权公告日 | 2024-02-06 |
| 分类号 | B29C65/08;B23K20/10;B06B1/02;B06B1/06 |
| 分类 | 塑料的加工;一般处于塑性状态物质的加工; |
| 申请人名称 | 上海骄成超声波技术股份有限公司 |
| 申请人地址 | 上海市闵行区沧源路1488号2幢三层 |
专利法律状态
2024-02-06
授权
状态信息
授权
2022-04-26
实质审查的生效
状态信息
实质审查的生效;IPC(主分类):B29C65/08;申请日:20211230
2022-04-08
公布
状态信息
公布
摘要
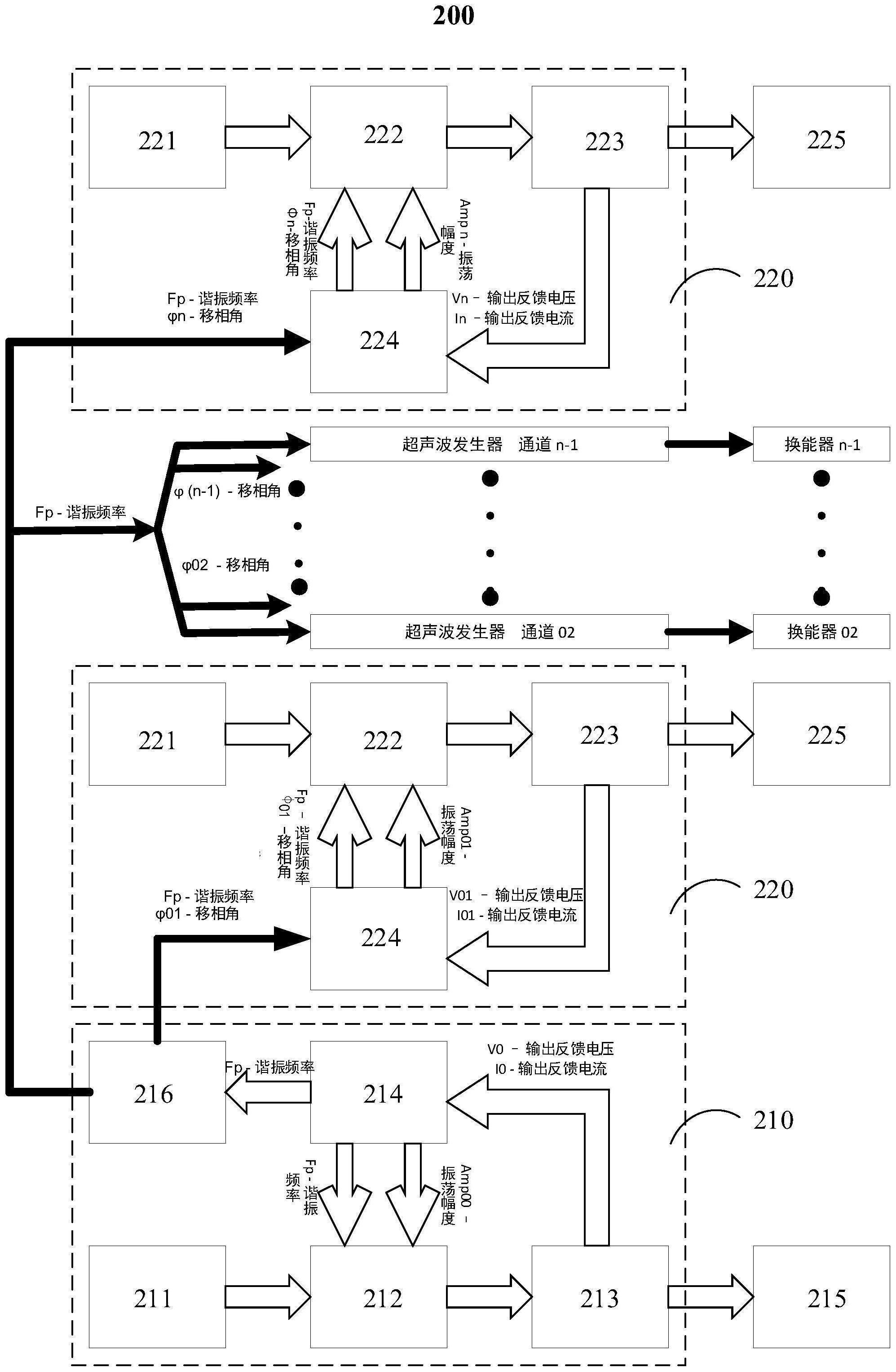
本发明公开了一种超声波发生器,包括多个超声波发生器支路以用于驱动相应的多个超声波换能器,每个超声波发生器支路中包括直流电源、超声波振荡器、直流/交流变换器,以及阻抗匹配输出网络,该多个超声波发生器支路中包括一路超声波主发生器和至少一路超声波辅发生器,该超声波主发生器的超声波主振荡器基于对应超声波换能器的反馈信号生成用以控制该超声波主发生器的直流/交流变换器的主振荡信号,每一路该超声波辅发生器的超声波辅振荡器使用基于该超声波主振荡器输出的该主振荡信号的振荡信号源生成谐振频率与该主振荡信号相一致的辅振荡信号以控制该路超声波辅发生器的该直流/交流变换器。


