授权公布号:CN212932467U
一种冷却塔填料性能实验检测系统
有效
申请
2020-09-25
申请公布
1970-01-01
授权
2021-04-09
预估到期
2030-09-25
| 申请号 | CN202022137933.9 |
| 申请日 | 2020-09-25 |
| 授权公布号 | CN212932467U |
| 授权公告日 | 2021-04-09 |
| 分类号 | G01N25/20;F28F25/08 |
| 分类 | 测量;测试; |
| 申请人名称 | 大连斯频德环境设备有限公司 |
| 申请人地址 | 辽宁省大连市经济技术开发区东北四街8号 |
专利法律状态
2021-04-09
授权
状态信息
授权
摘要
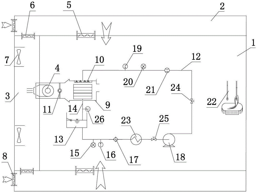
本实用新型公开了一种冷却塔填料性能实验检测系统,属于填料性能检测技术领域。包括设置于填料性能检测实验室外侧的空气混合区和排风区,填料性能检测实验室与排风区之间设有变频风机a,填料性能检测实验室与空气混合区之间设有电动百叶窗a,空气混合区与排风区之间设有电动百叶窗b,排风区的排风口处设有变频风机b,空气混合区进风口处设有电动百叶窗c。本实用新型的有益效果是:精确控制试验中的环境湿球温度,测试精度高,可大幅度减少填料测试误差及时间,物力;由于系统采用热风回流再利用,可在冬季进行填料测试,拓宽了填料测试的时间范围;整套系统采用全自动控制,采集,能够极大的节省人力,保障了测试精度。


