授权公布号:CN210210208U
便捷式量杯拆卸机构
有效
申请
2019-04-23
申请公布
1970-01-01
授权
2020-03-31
预估到期
2029-04-23
| 申请号 | CN201920565450.3 |
| 申请日 | 2019-04-23 |
| 授权公布号 | CN210210208U |
| 授权公告日 | 2020-03-31 |
| 分类号 | B25B27/02 |
| 分类 | 手动工具;轻便机动工具;手动器械的手柄;车间设备;机械手; |
| 申请人名称 | 广州王老吉药业股份有限公司 |
| 申请人地址 | 广东省广州市白云区广花二路831号 |
专利法律状态
2020-03-31
授权
状态信息
授权
摘要
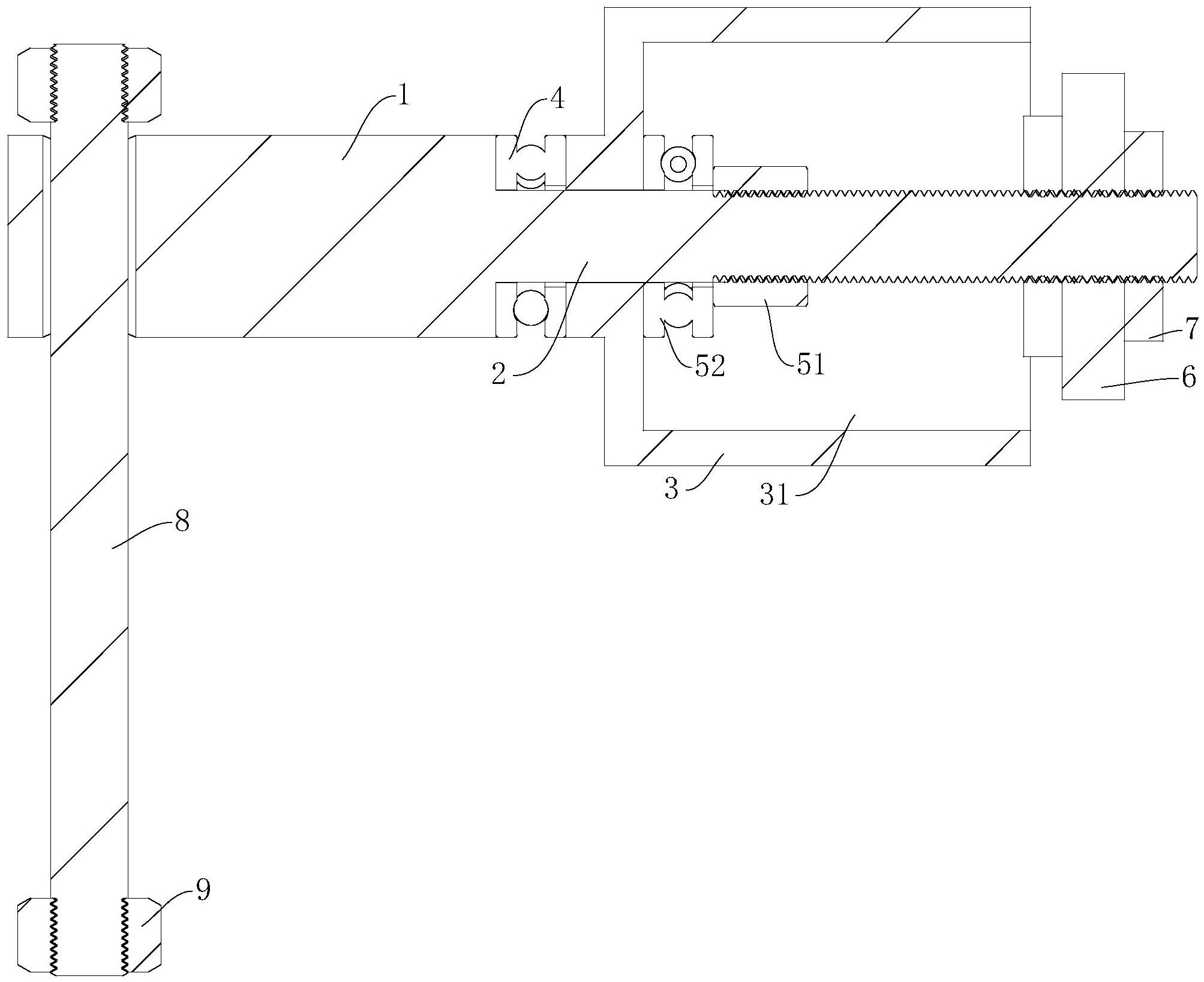
本实用新型公开了一种便捷式量杯拆卸机构,包括旋转杆、定位筒和定位板,旋转杆的第一端设有连接杆,连接杆的端部开设有螺纹段;定位筒套设于连接杆上并与连接杆之间间隙配合,定位筒的第一端开设有盲孔,盲孔的孔径大于量杯的外径,定位筒的第二端与旋转杆的第一端之间设有第一平面轴承,连接杆上设有限位定位筒的轴向位置的限位机构;定位板的外径小于所述盲孔的孔径,且定位板的外径大于量杯的内孔孔径,定位板套设于螺纹段上且与螺纹段间隙配合,螺纹段设有两个分别与定位板的顶面和底面抵接的第一锁紧螺母。该便捷式量杯拆卸机构能够较为快速地将量杯拆卸下来,提高量杯的拆卸效率的同时,还可以防止量杯快速磨损。


