授权公布号:CN220376633U
用于酱香型调味酒的上甑铺料下料装置
有效
申请
2023-07-13
申请公布
1970-01-01
授权
2024-01-23
预估到期
2033-07-13
| 申请号 | CN202321838984.1 |
| 申请日 | 2023-07-13 |
| 授权公布号 | CN220376633U |
| 授权公告日 | 2024-01-23 |
| 分类号 | C12H6/02;B02C18/10;B02C19/00 |
| 分类 | 生物化学;啤酒;烈性酒;果汁酒;醋;微生物学;酶学;突变或遗传工程; |
| 申请人名称 | 泸州老窖股份有限公司 |
| 申请人地址 | 四川省泸州市国窖广场泸州老窖股份有限公司 |
专利法律状态
2024-01-23
授权
状态信息
授权
摘要
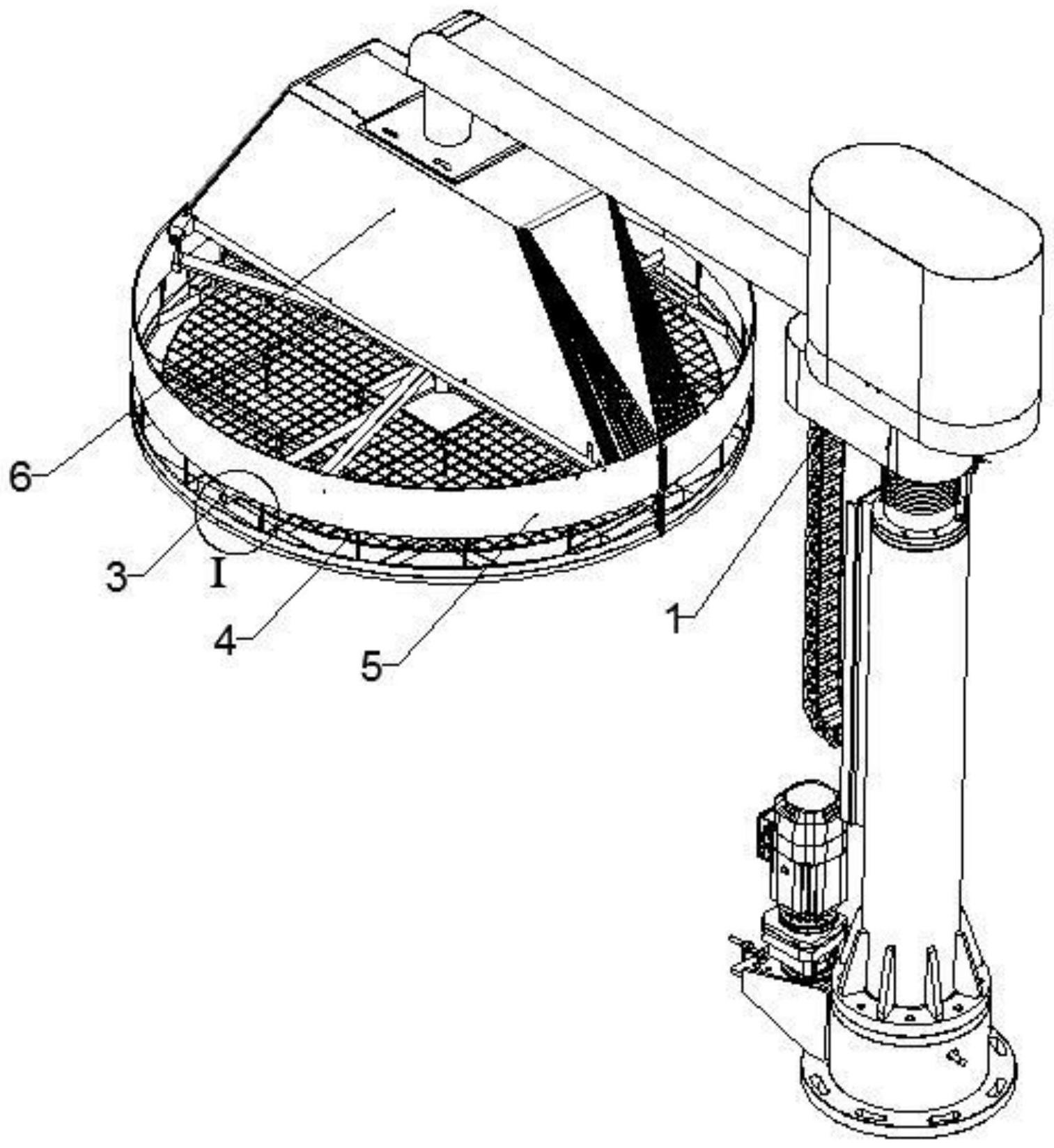
本实用新型涉及一种用于酱香型调味酒的上甑铺料下料装置,属于酿酒装置领域。本结构包括摊平下料装置(3)、固定环(5)和下料格网(4),所述摊平下料装置(3)包括摊平下料杆(31)和摊平破碎装置(32),摊平破碎装置(32)间隔设置在摊平下料杆(31)下侧,下料格网(4)与固定环(5)的开口一端连接,摊平下料杆(31)转动设置在固定环(5)内,且摊平破碎装置(32)的下端与下料格网(4)上端面接触。本结构可以良好的模拟人工破碎糟团、打散糟醅、均匀铺料在酒甑内,确保了酱香型调味酒上甑稳定性和产酒品质。解决现有设备上甑无法完成的打散、均匀铺料,造成出酒率和出酒品质下降的问题。


