授权公布号:CN216948778U
一种全预制卫生间内嵌剪力墙式反坎连接节点
有效
申请
2021-11-19
申请公布
1970-01-01
授权
2022-07-12
预估到期
2031-11-19
| 申请号 | CN202122861395.2 |
| 申请日 | 2021-11-19 |
| 授权公布号 | CN216948778U |
| 授权公告日 | 2022-07-12 |
| 分类号 | E04B1/38 |
| 分类 | 建筑物; |
| 申请人名称 | 中海企业发展集团有限公司 |
| 申请人地址 | 广东省深圳市福田区福华路399号中海大厦 |
专利法律状态
2022-07-12
授权
状态信息
授权
摘要
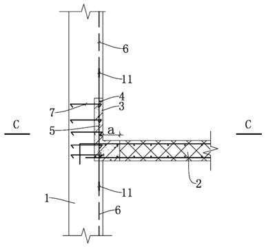
本实用新型公开了一种全预制卫生间内嵌剪力墙式反坎连接节点,包括:剪力墙、卫生间底板和预制反坎,预制反坎嵌入剪力墙,并与卫生间底板固接,预制反坎内配置有若干间隔设置的水平筋和竖向筋,竖向筋的两端伸出预制反坎并分别与剪力墙的竖向钢筋连接,预制反坎的竖向筋与剪力墙的竖向钢筋通过若干水平箍筋和/或拉筋连接,水平箍筋和/或拉筋部分预埋于预制反坎内。本实用新型能够避免预制反坎占用卫生间的净使用面积,并提高预制反坎与剪力墙的整体性,保证剪力墙的结构安全,防止剪力墙发生剪切破坏。


