授权公布号:CN106369943B
多色毛条热风循环节能型烘房
有效
申请
2016-08-26
申请公布
2017-02-01
授权
2019-03-29
预估到期
2036-08-26
| 申请号 | CN201610724604.X |
| 申请日 | 2016-08-26 |
| 申请公布号 | CN106369943A |
| 申请公布日 | 2017-02-01 |
| 授权公布号 | CN106369943B |
| 授权公告日 | 2019-03-29 |
| 分类号 | F26B9/02;F26B21/04;F26B25/06 |
| 分类 | 干燥; |
| 申请人名称 | 安徽尧龙竹木制品有限公司 |
| 申请人地址 | 安徽省宣城市广德县新杭镇经济开发区 |
专利法律状态
2019-03-29
授权
状态信息
授权
2017-03-01
实质审查的生效
状态信息
实质审查的生效IPC(主分类):F26B 9/02申请日:20160826
2017-02-01
公布
状态信息
公布
摘要
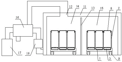
本发明提供一种多色毛条热风循环节能型烘房,包括房体、热风入口、回风口、热风换热器和推送装置,房体内设有隔网,隔网将房体分为用于烘干本色毛条的本色烘干室的和用于烘房碳化毛条的碳化烘干室,推送装置包括底部车架、移送组件和限位组件,底部车架的顶部设有若干排列设置的导送框,底部车架还设有移送组件,移送组件包括两个以上的移送辊、移送网带,限位组件包括若干限位齿轮、若干限位链条、限位杆;该烘房能够实现推送装置直接置于烘房中,从而在使用烘房对竹片烘干时,不需要在将成捆的竹片排放在烘房内,也不需要在完成烘干后再将成捆的竹片搬运至推车上,从而节省了搬运过程,实现省时省力的目的。


