授权公布号:CN106352670B
免装载式热风循环节能型竹片烘房
有效
申请
2016-08-26
申请公布
2017-01-25
授权
2019-04-09
预估到期
2036-08-26
| 申请号 | CN201610724611.X |
| 申请日 | 2016-08-26 |
| 申请公布号 | CN106352670A |
| 申请公布日 | 2017-01-25 |
| 授权公布号 | CN106352670B |
| 授权公告日 | 2019-04-09 |
| 分类号 | F26B9/06;F26B21/04;F26B25/00;F26B25/06 |
| 分类 | 干燥; |
| 申请人名称 | 安徽尧龙竹木制品有限公司 |
| 申请人地址 | 安徽省宣城市广德县新杭镇经济开发区 |
专利法律状态
2019-04-09
授权
状态信息
授权
2017-03-01
实质审查的生效
状态信息
实质审查的生效IPC(主分类):F26B 9/06申请日:20160826
2017-01-25
公布
状态信息
公布
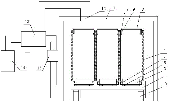
摘要
本发明提供一种免装载式热风循环节能型竹片烘房,包括房体、热风入口、回风口、热风换热器和推送装置,推送装置包括底部车架、移送组件和限位组件,底部车架的顶部设有若干排列设置的导送框,相邻导送框间形成用于竹片移动的通道,底部车架还设有移送组件,移送组件包括移送框,移送框的两侧分别设有限位滚轮,底部车架设有用于对限位滚轮导向的凸字形轨槽,限位组件包括若干限位齿轮、若干限位链条、限位杆;该烘房能够实现推送装置直接置于烘房中,从而在使用烘房对竹片烘干时,不需要在将成捆的竹片排放在烘房内,也不需要在完成烘干后再将成捆的竹片搬运至推车上,从而节省了搬运过程,实现省时省力的目的。


