授权公布号:CN210943905U
一种豆类发酵用面粉储存仓
有效
申请
2019-10-21
申请公布
1970-01-01
授权
2020-07-07
预估到期
2029-10-21
| 申请号 | CN201921761025.8 |
| 申请日 | 2019-10-21 |
| 授权公布号 | CN210943905U |
| 授权公告日 | 2020-07-07 |
| 分类号 | B65G53/16;B65G53/36;B65G53/34;B65G53/52 |
| 分类 | 输送;包装;贮存;搬运薄的或细丝状材料; |
| 申请人名称 | 鹤山市东古调味食品有限公司 |
| 申请人地址 | 广东省江门市鹤山市古劳镇麦水工业区3号 |
专利法律状态
2021-10-19
著录事项变更
状态信息
著录事项变更;IPC(主分类):B65G53/16;变更事项:发明人;变更前:任达洪 易伟焜;变更后:任达洪 易伟焜 冯麒光
2020-07-07
授权
状态信息
授权
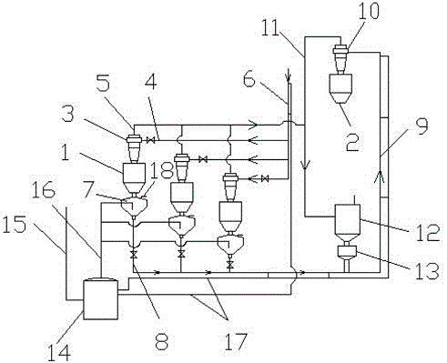
摘要
本实用新型涉及一种豆类发酵用面粉储存仓,包括多个面粉存储罐和一个缓存罐,面粉存储罐的顶部设有第一旋风分离器,第一旋风分离器的进风口连接有进料支管,出风口连接有除尘支管,各个进料支管连接至一根进料总管;面粉存储罐的底部连接有送料罐,送料罐连接有送料支管,各个送料支管连接至一根送料总管,缓存罐的顶部设有第二旋风分离器,送料总管连接至第二旋风分离器的进风口,第二旋风分离器的出风口连接有除尘总管,各个所述除尘支管连接至除尘总管。本方案的储存仓可采用密封条件比较好的存储罐,面粉的存放环境得到了严格的控制,保证了食品生产物料的质量不受污染。减少了人工的搬运输送,提高了生产效率,节省了人工开支。


