授权公布号:CN206810782U
一种用于植物染料提取的清洗装置
有效
申请
2017-06-08
申请公布
1970-01-01
授权
2017-12-29
预估到期
2027-06-08
| 申请号 | CN201720662213.X |
| 申请日 | 2017-06-08 |
| 授权公布号 | CN206810782U |
| 授权公告日 | 2017-12-29 |
| 分类号 | B08B3/12;B08B3/10;B08B1/04;B08B9/093;C09B61/00 |
| 分类 | 清洁; |
| 申请人名称 | 山东滨州豪盛巾被有限公司 |
| 申请人地址 | 山东省滨州市邹平县好生镇驻地 |
专利法律状态
2017-12-29
授权
状态信息
授权
摘要
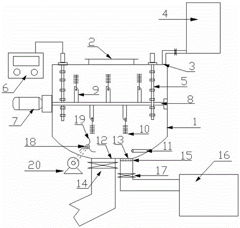
本实用新型公开了一种用于植物染料提取的清洗装置,包括清洗罐,清洗罐顶部设有进料口和进水口,清洗罐设有超声清洗装置,超声清洗装置包括竖向置于清洗罐内的超声振动棒,超声振动棒的顶端固定于清洗罐顶部,超声波振动棒电连接有超声波发生器;清洗罐设有搅拌清洗装置,搅拌清洗装置设有毛刷;清洗罐侧壁底部设有清洗喷头,清洗罐底部设有固体物料出口和出水口,固体物料出口设有阀门一,出水口设有过滤网,出水口的过滤网下方设有阀门二;清洗罐底部设有辅助出料装置。该装置对植物染料原材料的杂质清洗彻底、清洗效率高且下料效率高。


