授权公布号:CN210704103U
一种改进型塑木型材打磨装置
有效
申请
2019-07-10
申请公布
1970-01-01
授权
2020-06-09
预估到期
2029-07-10
| 申请号 | CN201921073230.5 |
| 申请日 | 2019-07-10 |
| 授权公布号 | CN210704103U |
| 授权公告日 | 2020-06-09 |
| 分类号 | B24B19/24;B24B41/06;B24B27/00;B24B55/06;B24B47/12;B24B41/02 |
| 分类 | 磨削;抛光; |
| 申请人名称 | 南京聚锋新材料有限公司 |
| 申请人地址 | 江苏省南京市江北新区创业路6号 |
专利法律状态
2023-11-28
专利实施许可合同备案的生效、变更及注销
状态信息
专利实施许可合同备案的注销;IPC(主分类):B24B 19/24;专利申请号:2019210732305;专利号:ZL2019210732305;合同备案号:X2022980016958;让与人:南京聚锋新材料有限公司;受让人:南京江北新区扬子科技融资租赁有限公司;解除日:20231107
2023-11-24
专利权质押合同登记的生效、变更及注销
状态信息
专利权质押合同登记的注销;IPC(主分类):B24B 19/24;授权公告日:20200609;申请日:20190710;专利号:ZL2019210732305;登记号:Y2022980017660;出质人:南京聚锋新材料有限公司;质权人:南京江北新区绿色融资担保有限公司;解除日:20231108
2022-10-28
专利权质押合同登记的生效、变更及注销
状态信息
专利权质押合同登记的生效;IPC(主分类):B24B 19/24;专利号:ZL2019210732305;登记号:Y2022980017660;登记生效日:20221010;出质人:南京聚锋新材料有限公司;质权人:南京江北新区绿色融资担保有限公司;实用新型名称:一种改进型塑木型材打磨装置;申请日:20190710;授权公告日:20200609
2022-10-21
专利实施许可合同备案的生效、变更及注销
状态信息
专利实施许可合同备案的生效;IPC(主分类):B24B 19/24;专利申请号:2019210732305;专利号:ZL2019210732305;合同备案号:X2022980016958;让与人:南京聚锋新材料有限公司;受让人:南京江北新区扬子科技融资租赁有限公司;实用新型名称:一种改进型塑木型材打磨装置;申请日:20190710;授权公告日:20200609;许可种类:独占许可;备案日期:20220930
2022-10-11
专利实施许可合同备案的生效、变更及注销
状态信息
专利实施许可合同备案的注销;IPC(主分类):B24B 19/24;专利申请号:2019210732305;专利号:ZL2019210732305;合同备案号:X2021320000069;让与人:南京聚锋新材料有限公司;受让人:南京江北新区扬子科技融资租赁有限公司;解除日:20220921
2022-09-23
专利权质押合同登记的生效、变更及注销
状态信息
专利权质押合同登记的注销;IPC(主分类):B24B19/24;授权公告日:20200609;申请日:20190710;登记号:Y2021320000162;出质人:南京聚锋新材料有限公司;质权人:南京江北新区绿色融资担保有限公司;解除日:20220905
2021-08-27
专利权质押合同登记的生效、变更及注销
状态信息
专利权质押合同登记的生效;IPC(主分类):B24B 19/24;专利号:ZL2019210732305;登记号:Y2021320000162;登记生效日:20210810;出质人:南京聚锋新材料有限公司;质权人:南京江北新区绿色融资担保有限公司;实用新型名称:一种改进型塑木型材打磨装置;申请日:20190710;授权公告日:20200609
2021-08-20
专利实施许可合同备案的生效、变更及注销
状态信息
专利实施许可合同备案的生效;IPC(主分类):B24B 19/24;专利申请号:2019210732305;专利号:ZL2019210732305;合同备案号:X2021320000069;让与人:南京聚锋新材料有限公司;受让人:南京江北新区扬子科技融资租赁有限公司;实用新型名称:一种改进型塑木型材打磨装置;申请日:20190710;授权公告日:20200609;许可种类:独占许可;备案日期:20210805
2020-10-30
专利申请权、专利权的转移
状态信息
专利权的转移;IPC(主分类):B24B 19/24;专利号:ZL2019210732305;登记生效日:20201015;变更事项:专利权人;变更前权利人:南京聚锋新材料有限公司;变更后权利人:南京聚锋新材料有限公司;变更事项:地址;变更前权利人:210000 江苏省南京市江北新区创业路6号;变更后权利人:210000 江苏省南京市江北新区创业路6号;变更事项:专利权人;变更前权利人:;变更后权利人:南京聚隆科技股份有限公司 南京东聚碳纤维复合材料研究院有限公司
2020-06-09
授权
状态信息
授权
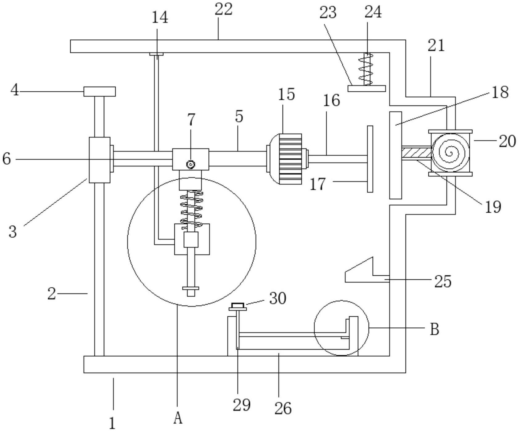
摘要
本实用新型公开了一种改进型塑木型材打磨装置,包括装置底座,装置底座上固定连接有一号套杆,一号套杆上相对于装置底座的另一端固定连接有一号限位板,一号套杆上套设有一号套筒,一号限位板的尺寸大于一号套筒的尺寸,有益效果是:本实用新型通过设置有固定板和固定槽,能够利用固定板和固定槽将需要加工的塑木型材固定在固定槽和固定板之间,在通过打开风机,使得风机将鼓风口一侧的风通过风管吸入风机,在从风机一端排出,使得鼓风口与塑木型材之间的空气排空,形成负真压空间,在水平方向对塑形木材再次进行固定,此种设计,能够更加紧固的固定塑形型材,防止打磨过程中发生塑木型材掉落导致加工失败的可能。


