授权公布号:CN210383077U
一种试管刷
有效
申请
2019-05-21
申请公布
1970-01-01
授权
2020-04-24
预估到期
2029-05-21
| 申请号 | CN201920732773.7 |
| 申请日 | 2019-05-21 |
| 授权公布号 | CN210383077U |
| 授权公告日 | 2020-04-24 |
| 分类号 | A46B13/02;B08B9/087 |
| 分类 | 刷类制品; |
| 申请人名称 | 蜂乃宝本铺(南京)保健食品有限公司 |
| 申请人地址 | 江苏省南京市建邺区奥体大街69号新城科技园06幢 |
专利法律状态
2020-04-24
授权
状态信息
授权
摘要
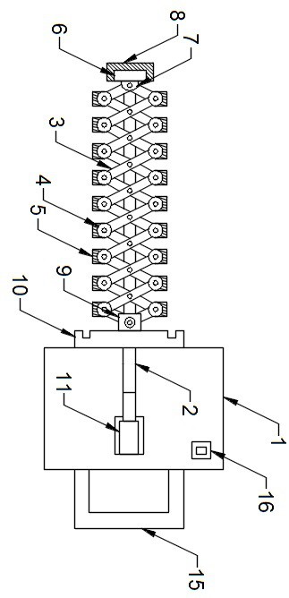
本实用新型公开了一种试管刷,包括支撑块,支撑块的一侧设有导杆,导杆的两侧均设有伸缩架,伸缩架的顶端安装有多个安装套,位置相对的两个安装套的顶端固定连接有连接块,导杆的一端固定连接有耳栓,耳栓的一端固定连接有限位块,限位块和连接块的表面均安装有毛刷。本实用新型一种试管刷,通过电动伸缩杆带动导杆做往复移动,使导杆上的伸缩架发生伸缩,随着伸缩架的伸长其直径变小,利用伸缩架上的毛刷便于对不同直径的试管孔壁进行洗刷,方便快捷。


