授权公布号:CN220662255U
混合动力总成及混动汽车
有效
申请
2023-07-19
申请公布
1970-01-01
授权
2024-03-26
预估到期
2033-07-19
| 申请号 | CN202321908133.X |
| 申请日 | 2023-07-19 |
| 授权公布号 | CN220662255U |
| 授权公告日 | 2024-03-26 |
| 分类号 | B60K6/36;B60K6/365;B60K6/42 |
| 分类 | 一般车辆; |
| 申请人名称 | 上海汽车集团股份有限公司 |
| 申请人地址 | 上海市浦东新区自由贸易试验区松涛路563号1号楼509室 |
专利法律状态
2024-03-26
授权
状态信息
授权
摘要
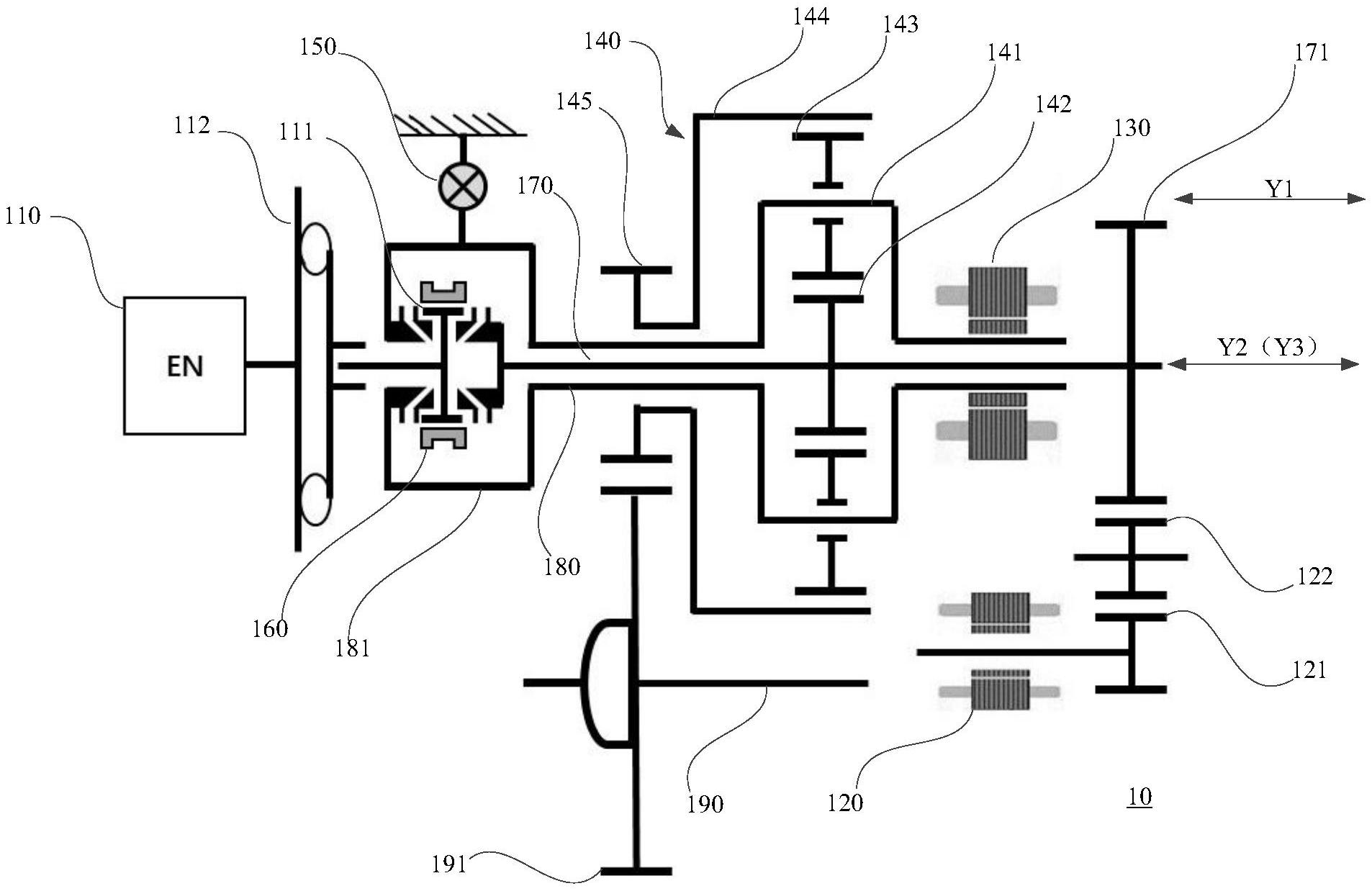
本实用新型公开了一种混合动力总成及混动汽车,这种混合动力总成包括壳体、发动机、第一电机、第二电机、行星齿传动组件、锁止件以及同步器。其中,行星齿传动组件包括行星架、太阳轮、行星轮以及齿圈,行星架、太阳轮以及行星轮均位于齿圈内,太阳轮位于齿圈的中心部,行星轮安装于行星架上且可绕第一轴线相对于行星架转动,行星轮分别与齿圈和太阳轮啮合。发动机通过同步器可选择地与行星架或太阳轮传动连接,第一电机与太阳轮传动连接,第二电机与行星架传动连接,锁止件可将行星架锁止于壳体。这种结构巧妙地设置锁止件和同步器,以实现多种驱动模式的相互切换,简化了混动汽车的控制策略,且结构紧凑,便于车内部件的布置。


