授权公布号:CN204134575U
用于拌料槽的除尘装置
有效
申请
2014-09-12
申请公布
1970-01-01
授权
2015-02-04
预估到期
2024-09-12
| 申请号 | CN201420525708.4 |
| 申请日 | 2014-09-12 |
| 授权公布号 | CN204134575U |
| 授权公告日 | 2015-02-04 |
| 分类号 | B01F15/00;B01D45/02;B01D50/00 |
| 分类 | 一般的物理或化学的方法或装置; |
| 申请人名称 | 如意情生物科技股份有限公司 |
| 申请人地址 | 湖北省武汉市东西湖区食品加工区汇通大道特1号(13) |
专利法律状态
2016-05-11
专利权人的姓名或者名称、地址的变更
状态信息
专利权人的姓名或者名称、地址的变更;IPC(主分类):B01F15/00;变更事项:专利权人;变更前:武汉如意食用菌生物高科技有限公司;变更后:如意情生物科技股份有限公司;变更事项:地址;变更前:430040 湖北省武汉市东西湖区食品加工区汇通大道特1号;变更后:430040 湖北省武汉市东西湖区食品加工区汇通大道特1号(13)
2015-02-04
授权
状态信息
授权
摘要
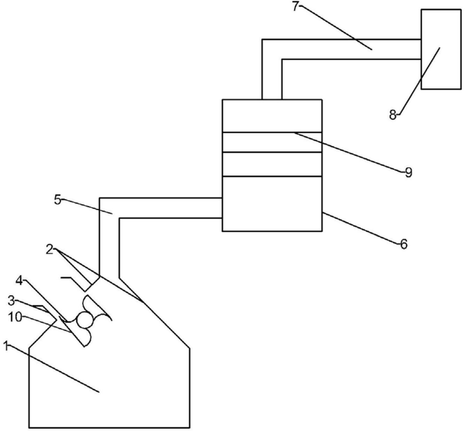
本实用新型涉及除尘领域,尤其涉及用于拌料槽的除尘装置,包括:壳体、沉降室、除尘机;其中,所述壳体的一侧设置有进料口,进料口处设置有旋转挡板,所述旋转挡板包括一旋转轴和环设在所述旋转轴上的多个挡片,相邻两个挡片的侧部各设置有一板体,且所述板体间隔设置在每两个相邻的挡片之间,所述一对板体与两个挡片形成一个上端开口的半封闭空间,当不需要向所述壳体中进料时,所述半封闭空间的上端与所述进料口接触从而将所述进料口封闭;当需要向所述壳体中进料时,未设置有板体的相邻两个挡片与所述进料口接触从而打开所述进料口。本实用新型结构紧凑,改善了工人的工作环境,减少了原料的浪费。


